Назад

Оригинальные каталоги

zoom-in zoom-out enlarge shrink circle-right circle-left file-text2 info cart
Номер Наименование Цена
52-1702094 52-1702094 Головка включения заднего хода в сборе Нет в продаже
252136-П2 252136-П2 Шайба пружинная 10 Нет в продаже
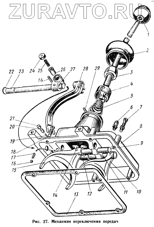
1 51-1703088 Рукоятка рычага переключения передач в сборе Нет в продаже
2 52-1702128 Колпак верхней крышки коробки передач защитный Нет в продаже
3 52-1702120 Рычаг переключения передач Нет в продаже
4 52-1702126 Колпак рычага переключения передач Нет в продаже
5 52-1702122 Пружина рычага переключения передач Нет в продаже
6 298429-П Сапун в сборе Нет в продаже
7 201505-П8 Болт М10Х45 крепления верхней крышки коробки передач Нет в продаже
8 52-1702015 Крышка коробки передач верхняя Нет в продаже
9 52-1702041 Шток переключения третьей и четвертой передач Нет в продаже
10 52-1702024 Вилка переключения первой и второй передач Нет в продаже
11 52-1702060 Шток переключения первой и второй передач Нет в продаже
12 52-1702025-А Головка штока переключения первой и второй передач Нет в продаже
13 52-1702016 Прокладка верхней крышки коробки передач Нет в продаже
14 258948-П8 Штифт вилок механизма переключения передач Нет в продаже
14 258948-П18 Штифт вилки переключения третьей и четвертой передач Нет в продаже
15 52-1702027 Вилка переключения третьей и четвертой передач Нет в продаже
16 263014-П Шарик 3/8" фиксатора механизма переключений передач Нет в продаже
17 ААА-7234 Пружина стопорного шарика механизма переключения передач Нет в продаже
18 201497-П8 Болт М10Х25 крепления растяжки к кронштейну петли капота Нет в продаже
19 52-1702075 Палец штока переключения третьей и четвертой передач стопорный Нет в продаже
20 52-1702080 Плунжер штоков переключения передач стопорный Нет в продаже
21 52-1702089 Заглушка отверстия плунжеров штоков переключения передач Нет в продаже
22 260307-П Заглушка 20 верхней крышки коробки передач Нет в продаже
23 52-1702042 Шток переключения передачи заднего хода Нет в продаже
24 52-1702099 Стопор пружины предохранителя включения заднего хода Нет в продаже
25 52-1702098 Пружина предохранителя включения заднего хода Нет в продаже
26 52-1702097 Предохранитель включения заднего хода Нет в продаже
27 52-1702095-А Головка штока заднего хода Нет в продаже
28 52-1702092 Вилка включения заднего хода Нет в продаже
29 258639-П18 Штифт 6Х 15 рычага переключения передач установочный Нет в продаже
1
2
3
4
5
6
7
8
9
10
11
12
13
14
14
14
15
16
17
18
19
20
21
22
23
24
25
26
27
28
29
100%
Содержащиеся в справочниках-каталогах запасные части и детали носят исключительно информационный характер