Оригинальные каталоги
| № | Номер | Наименование | Цена | |
|---|---|---|---|---|
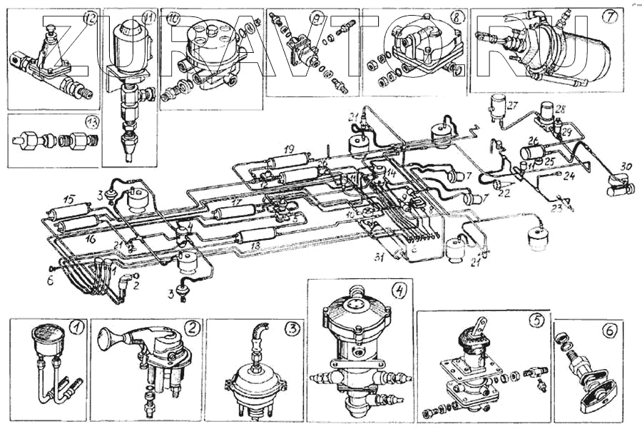
| 1 | 1102.3830010 | Манометр двухстрелчастый в сборе | Нет в продаже |
|
| 2 | 52523-3500002 | Кран тормозной обратного действия с ручным управлением | Нет в продаже |
|
| 3 | 2402-3519010 100-3519110-20 | Камера пневматическая тормозная передних колес | Нет в продаже |
|
| 4 | 52523-3533002 | Регулятор тормозных сил передний | Нет в продаже |
|
| 5 | 52523-3500006-10 | Кран тормозной двухсекционный | Нет в продаже |
|
| 6 | 13-3515310 | Клапан контрольного вывода в сборе | Нет в продаже |
|
| 7 | Г100-3515300 100-3519300 | Камера тормозная задних колес с энергоаккумулятором 30/30 | Нет в продаже |
|
| 8 | 11-3518010 | Клапан ускорительный | Нет в продаже |
|
| 9 | 100-3562010 | 100-3562010 - клапан 2-х магистральный 100-3562010 | Нет в продаже |
|
| 10 | 11.3515410 | Клапан защитный 4-х контурный | Нет в продаже |
|
| 11 | 52523-3537110 | Электромагнитный клапан аварийного растормаживания | Нет в продаже |
|
| 12 | 100-3515010 | 100-3515010 - клапан защитный 100-3515010 | Нет в продаже |
|
| 13 | 699Р-3506408 | Штуцер | Нет в продаже |
|
| 14 | 52523-3533003 | Регулятор тормозных сил задних колес | Нет в продаже |
|
| 15 | 52523-351012 | Ресивер воздушный стояночного тормоза | Нет в продаже |
|
| 16 | 52523-3513014 | Ресивер пневмоподвески | Нет в продаже |
|
| 17 | 52523-3513010 | Ресивер воздушный задних тормозов | Нет в продаже |
|
| 18 | 52523-3513006 | Ресивер воздушный передних тормозов | Нет в продаже |
|
| 19 | 52523-3513016 | Ресивер воздушный привода дверей | Нет в продаже |
|
| 20 | 52523-3513008 | Ресивер воздушный аварийного растормаживания | Нет в продаже |
|
| 21 | 52523-2925008-10 | Регулятор положения кузова передней подвески | Нет в продаже |
|
| 22 | 5320-1609510 | Пневмогидроусилитель КАМАЗ ТОРМОЗНЫЕ СИСТЕМЫ, ООО, г. Набережные Челны |
14190 Р
|
|
| 23 | Г100-3570210 | Пневмоцилиндр (моторный тормоз) | Нет в продаже |
|
| 24 | 42021-1108650 | Пневмоцилиндр | Нет в продаже |
|
| 25 | 11.3513 | Клапан автоматического слива конденсата | Нет в продаже |
|
| 26 | 42071-3513018 | Баллон БП-2 конденсационный | Нет в продаже |
|
| 27 | 4207-3513018 | Баллон воздушный в сборе | Нет в продаже |
|
| 28 | 52523-3500010 | Установка воздухоочистителя | Нет в продаже |
|
| 29 | 100-3536010 | Протизамерзатель | Нет в продаже |
|
| 30 | А29.1400 | Компрессор (Хмельницк) | Нет в продаже |
|
| 31 | 52523-3513004 | Ресивер воздушный очистительный | Нет в продаже |
|
1
1
2
2
3
3
3
4
4
5
5
6
6
7
7
7
8
8
9
9
10
10
11
11
11
12
12
13
14
15
16
17
18
19
20
21
21
21
22
23
24
25
26
27
28
29
30
31
Содержащиеся в справочниках-каталогах запасные части и детали носят исключительно информационный характер