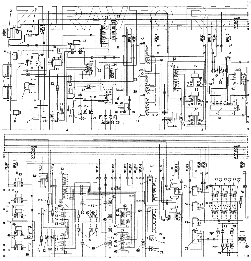
Оригинальные каталоги
| № | Номер | Наименование | Цена | |
|---|---|---|---|---|
| 486 104 104 | 486 104 104 | Блок управления АБС | Нет в продаже |
|
| 1 | 6-СТ132 | Аккумуляторная батарея | Нет в продаже |
|
| 2 | 3112.3771 | Генератор | Нет в продаже |
|
| 3 | ПР117 | Предохранитель | Нет в продаже |
|
| 4 | 1402.3737 | Выключатель аккумуляторных батарей | Нет в продаже |
|
| 5 | 905.3747 | Реле глушения двигателя | Нет в продаже |
|
| 6 | ВК318Б | Выключатель МАССЫ | Нет в продаже |
|
| 7 | ЭМ 19-03 | Электромагнитный клапан глушения ДВС | Нет в продаже |
|
| 8 | 3832.3710-11.47 | Выключатель глушения двигателя в мотоотсеке | Нет в продаже |
|
| 9 | ПС500 | Розетка | Нет в продаже |
|
| 10 | Электромагнитный клапан отсечки топлива | Электромагнитный клапан отсечки топлива | Нет в продаже |
|
| 11 | АZJ3381 | Стартер | Нет в продаже |
|
| 11 | 9172780 | Стартер | Нет в продаже |
|
| 12 | ВК418А | Выключатель фонарей заднего хода | Нет в продаже |
|
| 13 | 3832.3710-11.00 | Выключатель пуска двигателя в мотоотсеке | Нет в продаже |
|
| 14 | 2212.3803-57-А | Контрольная лампа «нейтраль» | Нет в продаже |
|
| 15 | 738.3747-20 | 738.3747-20 - реле 738.3747-20 738.3747-20 | Нет в продаже |
|
| 16 | 2632.3747 | Реле блокировки запуска стартера | Нет в продаже |
|
| 17 | Кнопка сброса блокировки при повторном пуске | Кнопка сброса блокировки при повторном пуске | Нет в продаже |
|
| 18 | 2212.3803-21-А | Сигнализатор открытого положения заднего люка | Нет в продаже |
|
| 19 | 3832.3710-08.63 | Выключатель в мотоотсеке дублирующий запуск свечей накаливания | Нет в продаже |
|
| 20 | ВКМ-0701 | Датчик положения заднего люка | Нет в продаже |
|
| 21 | 3803-17-А | Сигнализатор включения свечей накаливания | Нет в продаже |
|
| 22 | Ф5.3722.001 | Блок предохранителей БПР-4 | Нет в продаже |
|
| 23 | Ф5.3722.001 | Блок предохранителей БПР-4 | Нет в продаже |
|
| 24 | 24.3704 | Выключатель приборов и стартера | Нет в продаже |
|
| 25 | Блок управления свечами накаливания | Блок управления свечами накаливания | Нет в продаже |
|
| 26 | 11 720 720 | Свеча предпускового подогрева | Нет в продаже |
|
| 27 | Выключатель глушения двигателя | Выключатель глушения двигателя | Нет в продаже |
|
| 28 | Сигнализатор включения «+АКБ» | Сигнализатор включения «+АКБ» | Нет в продаже |
|
| 29 | 771.3709-02.32 | Выключатель дистанционный аккумуляторных батарей | Нет в продаже |
|
| 30 | П150-07.25 | Аварийный выключатель | Нет в продаже |
|
| 31 | РС-951 | Выключатель аварийный | Нет в продаже |
|
| 32 | Реле-прерыватель указателя поворотов | Реле-прерыватель указателя поворотов | Нет в продаже |
|
| 33 | 905.3747 | Реле глушения двигателя | Нет в продаже |
|
| 34 | 2212.3803-07-А | Сигнализатор указателей поворотов | Нет в продаже |
|
| 35 | 905.3747 | Реле глушения двигателя | Нет в продаже |
|
| 36 | 905.3747 | Реле глушения двигателя | Нет в продаже |
|
| 37 | 905.3747 | Реле глушения двигателя | Нет в продаже |
|
| 38 | 249.3710-02 | Выключателей аварийной сигнализации | Нет в продаже |
|
| 39 | Контрольная лампа «аварийной сигнализации» | Контрольная лампа «аварийной сигнализации» | Нет в продаже |
|
| 40 | 581.3710-01 | Центральный переключатель света | Нет в продаже |
|
| 41 | 1112.3769-01 | Подрулевой переключатель света фар, указателей поворотов и звуковых сигналов | Нет в продаже |
|
| 42 | Сигнализатор включения габаритных огней | Сигнализатор включения габаритных огней | Нет в продаже |
|
| 43 | 90.3747-11 | Реле включения звуковых сигналов | Нет в продаже |
|
| 44 | 90.3747-11 | Реле включения звуковых сигналов | Нет в продаже |
|
| 45 | Реле дополнительное | Реле дополнительное | Нет в продаже |
|
| 46 | Реле включения габаритного огня | Реле включения габаритного огня | Нет в продаже |
|
| 47 | 90.3747-11 | Реле включения звуковых сигналов | Нет в продаже |
|
| 48 | Реле дополнительное | Реле дополнительное | Нет в продаже |
|
| 49 | 2802. 3829 | Датчик сигналов торможения | Нет в продаже |
|
| 50 | С313 | Сигнал звуковой низкого тона | Нет в продаже |
|
| 50 | С314 | Сигнал звуковой высокого тона | Нет в продаже |
|
| 51 | ВК418А | Выключатель фонарей заднего хода | Нет в продаже |
|
| 52 | 15.3717 | Фонарь освещения номерного знака | Нет в продаже |
|
| 53 | 7442.3716-08/7442.3716-04 | Задние блоки фонарей | Нет в продаже |
|
| 54 | А24-5 | Лампа заднего габаритного огня | Нет в продаже |
|
| 55 | А24-12-3 (Р21W) | Лампа задних указателей поворота | Нет в продаже |
|
| 56 | А24-12-3(Р21W) | Лампа сигналов торможения | Нет в продаже |
|
| 57 | А24-12-3(Р21W) | Лампа сигналов торможения | Нет в продаже |
|
| 58 | А24-12-3(Р21W) | Лампа сигналов торможения | Нет в продаже |
|
| 59 | 262.3712/264.3712 | Верхние габаритные фонари (задние/передние) | Нет в продаже |
|
| 60 | 49.3731-01/49.3731-03 | Боковые маркерные габаритные фонари (правый/левый) | Нет в продаже |
|
| 61 | 56.3726 | 56.3726 - указатель поворота боковой 56.3726 | Нет в продаже |
|
| 62 | 745.3711-01/746.3711-01 | Блок фара (левая/правая) | Нет в продаже |
|
| 63 | А24-12-3(Р21W) | Лампа сигналов торможения | Нет в продаже |
|
| 64 | А24-4-1 (Т4W) | Лампа переднего габаритного огня | Нет в продаже |
|
| 65 | АКГ24-75-70 (Н4) | Лампа фары | Нет в продаже |
|
| 66 | 2212.3803-28-А | Контрольная лампа ДАЛЬНИЙ СВЕТ | Нет в продаже |
|
| 67 | 771.3709-02.07 | Выключатель противотуманных фонарей | Нет в продаже |
|
| 68 | Сигнализатор включения противотуманных фонарей | Сигнализатор включения противотуманных фонарей | Нет в продаже |
|
| 69 | Сигнализатор включения противотуманных фар | Сигнализатор включения противотуманных фар | Нет в продаже |
|
| 70 | 82.3709-22.06 | Выключатель противотуманных фар | Нет в продаже |
|
| 71 | АКГ24-55 (Н3) | Лампа фары противотуманной | Нет в продаже |
|
| 71 | 244.3743 | Фара противотуманная | Нет в продаже |
|
| 72 | 22.3777-01 | Реле включения противотуманных фонарей | Нет в продаже |
|
| 73 | 905.3747 | Реле глушения двигателя | Нет в продаже |
|
| 74 | 82.3709-21.12 | Выключатель плафонов освещения салона | Нет в продаже |
|
| 75 | 82.3709-21.13 | Выключатель освещения места водителя | Нет в продаже |
|
| 76 | 82.3709-21.21 | Выключатель освещения багажных отсеков | Нет в продаже |
|
| 77 | 2902.3714/201.3714 | Плафон салона | Нет в продаже |
|
| 77 | ВААФ.453754.002-01 | Светильник автотранспортный | Нет в продаже |
|
| 78 | 2612.3714 | Плафон водителя | Нет в продаже |
|
| 79 | 16.3714 | Плафон освещения багажных отсеков | Нет в продаже |
|
| 80 | 26.12.3714 | Плафон освещения моторного отсека | Нет в продаже |
|
| 81 | 2212.3803-40-А | Сигнализатор обогрева зеркал заднего вида | Нет в продаже |
|
| 82 | 82.3709-22.18 | Выключатель обогрева зеркал заднего вида | Нет в продаже |
|
| 83 | 592/004 | Блок управления зеркалами | Нет в продаже |
|
| 84 | 82.3709-21.24 | Выключатель осушителя | Нет в продаже |
|
| 85 | Сигнализатор работы осушителя | Сигнализатор работы осушителя | Нет в продаже |
|
| 86 | Электродвигатели поворотных механизмов зеркал заднего вида | Электродвигатели поворотных механизмов зеркал заднего вида | Нет в продаже |
|
| 87 | Электродвигатели поворотных механизмов зеркал заднего вида | Электродвигатели поворотных механизмов зеркал заднего вида | Нет в продаже |
|
| 88 | 82.3709-21.00 | Выключатель циркуляционного насоса | Нет в продаже |
|
| 89 | Сигнализатор включения циркуляционного насоса | Сигнализатор включения циркуляционного насоса | Нет в продаже |
|
| 90 | 82.3709-21.23 | Выключатель предпускового подогревателя | Нет в продаже |
|
| 91 | Сигнализатор запуска предпускового подогревателя | Сигнализатор запуска предпускового подогревателя | Нет в продаже |
|
| 92 | Осушитель воздуха | Осушитель воздуха | Нет в продаже |
|
| 93 | 9912.3709 | Подрулевой переключатель стеклоочистки | Нет в продаже |
|
| 94 | 390 442 401 | Мотор-редуктор ВОSСН | Нет в продаже |
|
| 95 | 31.3761.000 | Блок управления предпусковым подогревателем | Нет в продаже |
|
| 96 | Электродвигатель стеклоомывателя | Электродвигатель стеклоомывателя | Нет в продаже |
|
| 97 | 34.3730 | Электронасос | Нет в продаже |
|
| 98 | 461.3747 | Реле времени работы стеклоочистителя | Нет в продаже |
|
| 99 | Диод | Диод | Нет в продаже |
|
| 100 | 82.3709-24.14 | Переключатель режимов обдува стекол | Нет в продаже |
|
| 101 | 82.3709-24.09 | Переключатель отопителей салона | Нет в продаже |
|
| 102 | 905.3747 | Реле глушения двигателя | Нет в продаже |
|
| 103 | Электродвигатель отопителя салона | Электродвигатель отопителя салона | Нет в продаже |
|
| 104 | Электродвигатели обдува стекол | Электродвигатели обдува стекол | Нет в продаже |
|
| 105 | Лампа подсветки комбинации приборов | Лампа подсветки комбинации приборов | Нет в продаже |
|
| 106 | Лампа подсветки тахографа | Лампа подсветки тахографа | Нет в продаже |
|
| 107 | 1318-25 | Тахограф | Нет в продаже |
|
| 108 | Датчик тахографа | Датчик тахографа | Нет в продаже |
|
| 109 | 33.3806 | Указатель уровня топлива в сборе | Нет в продаже |
|
| 109 | 35.3807 | Указатель температуры охлаждающей жидкости | Нет в продаже |
|
| 109 | 27.3812 | Вольтметр в сборе | Нет в продаже |
|
| 109 | 32.3810 | Указатель давления масла в сборе | Нет в продаже |
|
| 109 | 50.3801 | 50.3801 - комбинация приборов 50.3801 | Нет в продаже |
|
| 110 | 2541.3813010-10 | Тахометр | Нет в продаже |
|
| 111 | Лампа подсветки тахометра | Лампа подсветки тахометра | Нет в продаже |
|
| 112 | 2212.3803-20-А | Контрольная лампа «засоренность фильтра» | Нет в продаже |
|
| 113 | 2212.3803-22-А | Сигнализатор аварийной температуры охлаждающей жидкости | Нет в продаже |
|
| 114 | 2212.3803-19-А | Сигнализатор низкого уровня топлива | Нет в продаже |
|
| 115 | 2212.3803-23-А | Сигнализатор аварийного давления масла | Нет в продаже |
|
| 116 | 2212.3803-01-А | Сигнализатор аварийного давления воздуха в первом контуре | Нет в продаже |
|
| 117 | 2212.3803-02-А | Сигнализатор аварийного давления воздуха во втором контуре | Нет в продаже |
|
| 118 | 2212.3803-03-А | Сигнализатор аварийного давления воздуха в третьем контуре | Нет в продаже |
|
| 120 | 2212.3803-04-А | Сигнализатор аварийного давления воздуха в четвертом контуре | Нет в продаже |
|
| 121 | 2212.3803-05-А | Сигнализатор стояночного тормоза | Нет в продаже |
|
| 122 | Реле дополнительное | Реле дополнительное | Нет в продаже |
|
| 123 | 733. 3747-10 | Сигнализатор шумовой связи с водителем | Нет в продаже |
|
| 124 | Реле дополнительное | Реле дополнительное | Нет в продаже |
|
| 125 | ДСФ-65 | Датчик засоренности воздушного фильтра | Нет в продаже |
|
| 126 | 2432.3828 | Датчик указателя температуры охлаждающей жидкости | Нет в продаже |
|
| 127 | ТМ 111 | Датчик превышения температуры охлаждающей жидкости | Нет в продаже |
|
| 128 | 5422.3827 | Датчик указателя уровня топлива | Нет в продаже |
|
| 129 | 2812.3710-01 | Выключатель экстренного открывания двери | Нет в продаже |
|
| 130 | 3902.3829 | Датчик указателя давления масла | Нет в продаже |
|
| 131 | 2602.3829 | Датчик аварийного давления масла | Нет в продаже |
|
| 132 | 2702.3829 | Датчик аварийного давления воздуха | Нет в продаже |
|
| 133 | 2702.3829 | Датчик аварийного давления воздуха | Нет в продаже |
|
| 134 | 3842.3710-08.46 | Выключатель открывания передней двери наружный | Нет в продаже |
|
| 135 | Сигнализатор шумовой экстренного открывания передней двери | Сигнализатор шумовой экстренного открывания передней двери | Нет в продаже |
|
| 136 | Сигнализатор шумовой экстренного открывания задней двери | Сигнализатор шумовой экстренного открывания задней двери | Нет в продаже |
|
| 137 | 2812.3710-03 | Выключатель сигнала водителю | Нет в продаже |
|
| 138 | УЗЗА ТУ АС 20.00.00 | Блок звуковой сигнализации дверных механизмов | Нет в продаже |
|
| 139 | 771.3709-02.19 | Переключатель управления дверью водителя | Нет в продаже |
|
| 140 | 2212.3803-36-А | Сигнализатор открытого положения передней двери | Нет в продаже |
|
| 141 | 2812.3710-03 | Выключатель сигнала водителю | Нет в продаже |
|
| 142 | 5256-6518304 | Электромагнитные клапаны дверных механизмов (24В) | Нет в продаже |
|
| 143 | ВБПЛ-4ТУ 3428-008-03964945 | Концевые выключатели положения дверей (микропереключатели (24В)) | Нет в продаже |
|
| 144 | 2612.3714-01 | Плафон дверного проема | Нет в продаже |
|
| 145 | 771.3709-02.19 | Переключатель управления дверью водителя | Нет в продаже |
|
| 146 | 2212.3803-36-А | Сигнализатор открытого положения передней двери | Нет в продаже |
|
| 147 | Автомагнитола | Автомагнитола | Нет в продаже |
|
| 148 | Динамики салона | Динамики салона | Нет в продаже |
|
| 149 | Преобразователь напряжения | Преобразователь напряжения | Нет в продаже |
|
| 150 | Транспортно- переговорное устройство | Транспортно- переговорное устройство | Нет в продаже |
|
| 151 | 265 351 101 | Модулятор давления | Нет в продаже |
|
| 152 | 04 8600 1016/04 8600 1030 | Датчик состояния колес | Нет в продаже |
|
| 153 | Контрольная лампа «АSR» | Контрольная лампа «АSR» | Нет в продаже |
|
| 154 | 2212.3803-53-А | Контрольная лампа неисправности АБС | Нет в продаже |
|
| 155 | 771.3709-02.00 | Выключатель диагностический АБС | Нет в продаже |
|
| 157 | Реле дополнительное | Реле дополнительное | Нет в продаже |
|
1
2
3
4
5
6
7
8
9
10
11
11
12
13
14
15
16
17
18
19
20
21
21
22
23
24
25
26
26
26
26
27
28
29
30
31
32
32
33
34
35
36
37
38
39
40
41
42
43
44
45
46
47
48
49
49
50
50
50
51
52
53
53
54
54
55
55
56
56
57
57
58
58
59
59
60
60
60
60
60
60
60
61
61
62
62
63
63
64
64
65
65
66
67
68
69
70
71
71
71
72
73
74
74
75
76
77
77
77
77
77
77
77
77
77
77
77
77
77
78
79
79
79
79
79
79
80
Содержащиеся в справочниках-каталогах запасные части и детали носят исключительно информационный характер