Оригинальные каталоги
| № | Номер | Наименование | Цена | |
|---|---|---|---|---|
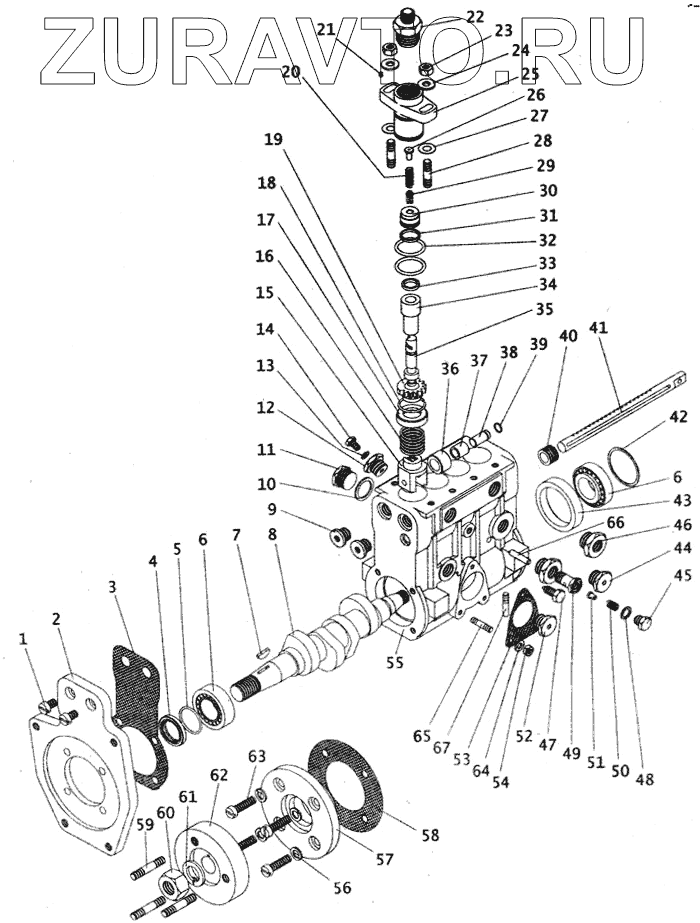
| 323.1111220-10 | 323.1111220-10 | Клапан нагнетательный 323.1111220-10 |
676 Р
|
|
| 773.1111150-10/773.111150 | 773.1111150-10/773.111150 | Пара плунжерная в сборе | Нет в продаже |
|
| 773.1111330 | 773.1111330 | Полумуфта привода в сборе со шпильками | Нет в продаже |
|
| 923.1110010-76Э1 | 923.1110010-76Э1 | Регулятор частоты вращения в сборе | Нет в продаже |
|
| 773.1111039-20 | 773.1111039-20 | Секция топливного насоса в сборе | Нет в продаже |
|
| 37.1111110 | 37.1111110 | Толкатель в сборе | Нет в продаже |
|
| 37.1111110 | 37.1111110 | Толкатель в сборе | Нет в продаже |
|
| 37.1111045 | 37.1111045 | Экран корпуса секции | Нет в продаже |
|
| ЭМ19-02 | ЭМ19-02 | ЭМ19-02 - электромагнит силовой ЭМ19-02 | Нет в продаже |
|
| 37.1106010-20 | 37.1106010-20 | ТННД 37.1106010-20 |
6084 Р
|
|
| 773.1111010-20 | 773.1111010-20 | Насос топливный в сборе (без регулятора) | Нет в продаже |
|
| 37.1111140 | 37.1111140 | Клапан перепускной 37.1111140 |
625 Р
|
|
| 332.1111626 | 332.1111626 | Кольцо наружное подшипника | Нет в продаже |
|
| 363.1111042 | 363.1111042 | Корпус секции с экраном в сборе | Нет в продаже |
|
| 363.1111041 | 363.1111041 | Корпус секции со штифтом в сборе | Нет в продаже |
|
| 363.1111070 | 363.1111070 | Крышка подшипника с манжетой в сборе | Нет в продаже |
|
| 332.1111090-10 | 332.1111090-10 | 332.1111090-10 - манжета 332.1111090-10 | Нет в продаже |
|
| 773.1111005-05-Э2 | 773.1111005-05-Э2 | Насос топливный | Нет в продаже |
|
| РР4М10Р1i-3531/773-20-06 | РР4М10Р1i-3531/773-20-06 | Насос топливный | Нет в продаже |
|
| 1 | 320.88163 | Винт М8х14 | Нет в продаже |
|
| 2 | 773.1111028 | Фланец | Нет в продаже |
|
| 3 | 773.1111027/773.1111027-01 | Прокладка | Нет в продаже |
|
| 4 | 332.1111092-10/332.1111092-11 | Манжета без пружины 25х35-5 | Нет в продаже |
|
| 5 | 332.1111094-10 | Пружина манжеты 25-0,3х1,8 | Нет в продаже |
|
| 6 | 332.1111088 | Подшипник 6-7205А ГОСТ 27365-87 | Нет в продаже |
|
| 7 | 320.88978 | Шпонка 5х7,5 | Нет в продаже |
|
| 8 | 773.1111055 | Вал кулачковый | Нет в продаже |
|
| 9 | 363.1111032 | Ввертыш | Нет в продаже |
|
| 10 | 33.1110961 | Прокладка 20х26х1,5 | Нет в продаже |
|
| 11 | 320.88802 | Пробка М20х1,5-6g | Нет в продаже |
|
| 12 | 363.1111267 | Ввертыш | Нет в продаже |
|
| 13 | 320.88700 | Прокладка 6х10х1 | Нет в продаже |
|
| 14 | 37.1111166 | Винт М6 | Нет в продаже |
|
| 15 | 37.1111114 | Толкатель | Нет в продаже |
|
| 16 | 771.1111138 | Пружина толкателя | Нет в продаже |
|
| 17 | 37.1111134 | Тарелка | Нет в продаже |
|
| 18 | 37.1111137 | Кольцо запорное | Нет в продаже |
|
| 19 | 771.1111174 | Втулка поворотная | Нет в продаже |
|
| 20 | 323.1111228 | 323.1111228 - пружина 323.1111228 | Нет в продаже |
|
| 21 | 320.88605 | Штифт 2,3х6 | Нет в продаже |
|
| 22 | 323.1111256-10 | Штуцер 323.1111256-10 ЯЗДА, АО, г. Ярославль |
291 Р
|
|
| 23 | 1/61008/21 | Гайка М8-6Н табл. ВАЗ 10112 | Нет в продаже |
|
| 24 | 320.88696 | Шайба 8 | Нет в продаже |
|
| 25 | 363.1111043 | Корпус секции | Нет в продаже |
|
| 26 | 363.1111234 | Упор пружины | Нет в продаже |
|
| 27 | 37.1111387 | Шайба | Нет в продаже |
|
| 27 | 37.1111388 | Шайба | Нет в продаже |
|
| 27 | 37.1111389 | Шайба | Нет в продаже |
|
| 27 | 37.1111390 | Шайба | Нет в продаже |
|
| 27 | 37.1111392 | Шайба | Нет в продаже |
|
| 27 | 37.1111386 | Шайба | Нет в продаже |
|
| 27 | 37.1111385 | Шайба | Нет в продаже |
|
| 27 | 37.1111384 | Шайба | Нет в продаже |
|
| 27 | 37.1111383 | Шайба | Нет в продаже |
|
| 27 | 37.1111382 | Шайба | Нет в продаже |
|
| 27 | 37.1111381 | Шайба | Нет в продаже |
|
| 27 | 37.1111380 | Шайба | Нет в продаже |
|
| 28 | 320.88226 | Шпилька 320.88226 ЯЗДА, АО, г. Ярославль |
164 Р
|
|
| 29 | 323.1111224 | Клапан нагнетательный | Нет в продаже |
|
| 30 | 337.1111226-10 | Седло нагнетательного клапана | Нет в продаже |
|
| 31 | 33.1111259-02 | Кольцо уплотнительное | Нет в продаже |
|
| 32 | 37.1111940 | Кольцо уплотнительное | Нет в продаже |
|
| 33 | 37.1111942 | Кольцо уплотнительное | Нет в продаже |
|
| 34 | 363.1111158 | Втулка плунжера | Нет в продаже |
|
| 35 | 771.1111154 | Плунжер | Нет в продаже |
|
| 36 | 37.1111118 | Ролик толкателя | Нет в продаже |
|
| 37 | 37.1111122 | Втулка толкателя | Нет в продаже |
|
| 38 | 37.1111124 | Ось толкателя | Нет в продаже |
|
| 39 | 37.1111115 | Кольцо запорное оси толкателя | Нет в продаже |
|
| 40 | 36.1111182-01 | Втулка рейки | Нет в продаже |
|
| 41 | 773.1111184 | Рейка | Нет в продаже |
|
| 42 | 320.88706 | Шайба 45 | Нет в продаже |
|
| 42 | 320.88705 | Шайба 45 | Нет в продаже |
|
| 42 | 320.88704 | Шайба 45 | Нет в продаже |
|
| 42 | 320.88703 | Шайба 45 | Нет в продаже |
|
| 42 | 320.88702 | Шайба 45 | Нет в продаже |
|
| 43 | 771.1111086 | Втулка | Нет в продаже |
|
| 44 | 37.1106182 | Ввертыш | Нет в продаже |
|
| 45 | 320.88804 | Пробка М10х1-6g | Нет в продаже |
|
| 46 | 37.1106182 | Ввертыш | Нет в продаже |
|
| 47 | 37.1111188 | Винт | Нет в продаже |
|
| 48 | 1/02601/60 | Прокладка клапана 10х14х1 табл. ВАЗ 14607 | Нет в продаже |
|
| 49 | 37.1131142 | Корпус клапана перепускного | Нет в продаже |
|
| 50 | 338.1111148 | Пружина клапана перепускного | Нет в продаже |
|
| 51 | 37.1111144 | Клапан | Нет в продаже |
|
| 52 | 37.1111267 | Ввертыш | Нет в продаже |
|
| 53 | 37.1106170/37.1106170-01 | Прокладка топливоподкачивающего насоса | Нет в продаже |
|
| 54 | 1/58962/11 | Гайка М6х1 (БелЗАН) |
13 Р
|
|
| 55 | 773.1111020 | Корпус топливного насоса в сборе | Нет в продаже |
|
| 55 | 773.1111022 | Корпус со втулкой | Нет в продаже |
|
| 55 | 773.1111025-01 | Корпус | Нет в продаже |
|
| 56 | 1/05166/77 | Шайба пружинная 8 табл. ВАЗ 10188 | Нет в продаже |
|
| 57 | 363.1111074 | Крышка подшипника | Нет в продаже |
|
| 58 | 363.1111076 | Прокладка | Нет в продаже |
|
| 59 | 320-23003 | Шпилька М10х1,25-6g | Нет в продаже |
|
| 60 | 320.24001 | Гайка М18х1,5-6Н | Нет в продаже |
|
| 61 | 320.88753/320.88749 | Шайба пружинная 18/18Л | Нет в продаже |
|
| 62 | 773.1111332-01 | Полумуфта | Нет в продаже |
|
| 63 | 320.88165 | Винт М8х30 | Нет в продаже |
|
| 64 | 1/05164/77 | Шайба пружинная 6 табл. ВАЗ 10188 | Нет в продаже |
|
| 65 | 320.88227 | Шпилька | Нет в продаже |
|
| 66 | 320.88613 | Штифт 6х28 | Нет в продаже |
|
| 67 | 320.88236 | Шпилька | Нет в продаже |
|
1
2
3
4
5
6
6
7
8
9
10
11
12
13
14
15
16
17
18
19
20
21
22
23
24
25
26
27
27
27
27
27
27
27
27
27
27
27
27
28
29
30
31
32
33
34
35
36
37
38
39
40
41
42
42
42
42
42
43
44
45
46
47
48
49
50
51
52
53
54
55
55
55
56
57
58
59
60
61
62
63
64
65
66
67
Содержащиеся в справочниках-каталогах запасные части и детали носят исключительно информационный характер