Оригинальные каталоги
| № | Номер | Наименование | Цена | |
|---|---|---|---|---|
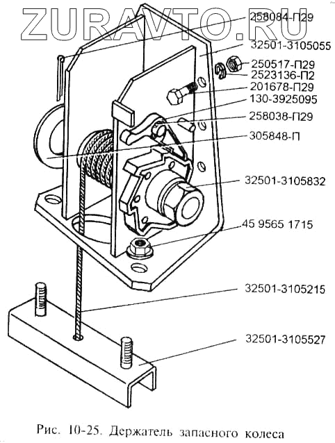
| 32501-3105832 | 32501-3105832 | Барабан с храповым колесом в сборе | Нет в продаже |
|
| 258038-П29 | 258038-П29 | Шплинт | Нет в продаже |
|
| 2523136-П2 | 2523136-П2 | Шайба пружинная | Нет в продаже |
|
| 305848-П | 305848-П | Шайба | Нет в продаже |
|
| 32501-3105215 | 32501-3105215 | Трос лебедки | Нет в продаже |
|
| 130-3925095 | 130-3925095 | Собачка лебедки | Нет в продаже |
|
| 32501-3105527 | 32501-3105527 | Пластина с болтами в сборе | Нет в продаже |
|
| 32501-3105055 | 32501-3105055 | Кронштейн с пластинами в сборе | Нет в продаже |
|
| 32501-3105010 | 32501-3105010 | Держатель запасного колеса с лебедкой в сборе | Нет в продаже |
|
| 4595651715 | 4595651715 | Гайка | Нет в продаже |
|
| 250517-П29 | 250517-П29 | Гайка | Нет в продаже |
|
| 133-3925231 | 133-3925231 | Втулка обжимная троса | Нет в продаже |
|
| 301431-01 | 301431-01 | Болт | Нет в продаже |
|
| 201678-П29 | 201678-П29 | Болт | Нет в продаже |
|
| 258084-1729 | 258084-1729 | Шплинт | Нет в продаже |
|
32501-3105832
258038-П29
2523136-П2
305848-П
32501-3105215
130-3925095
32501-3105527
32501-3105055
4595651715
250517-П29
201678-П29
258084-1729
Содержащиеся в справочниках-каталогах запасные части и детали носят исключительно информационный характер