Оригинальные каталоги
| № | Номер | Наименование | Цена | |
|---|---|---|---|---|
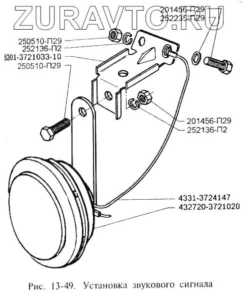
| 201456-П29 | 201456-П29 | Болт | Нет в продаже |
|
| 250510-П29 | 250510-П29 | Гайка | Нет в продаже |
|
| 5301-3721033-10 | 5301-3721033-10 | Кронштейн | Нет в продаже |
|
| 4331-3724147 | 4331-3724147 | Провод массовый сигнала | Нет в продаже |
|
| 432720-3721020 | 432720-3721020 | Сигнал звуковой электрический СЗ-3В или 20.3721-01 | Нет в продаже |
|
| 252235-П29 | 252235-П29 | Шайба | Нет в продаже |
|
| 252136-П2 | 252136-П2 | Шайба пружинная | Нет в продаже |
|
201456-П29
201456-П29
250510-П29
250510-П29
4331-3724147
432720-3721020
252235-П29
252136-П2
252136-П2
Содержащиеся в справочниках-каталогах запасные части и детали носят исключительно информационный характер