Назад

Оригинальные каталоги

zoom-in zoom-out enlarge shrink circle-right circle-left file-text2 info cart
Номер Наименование Цена
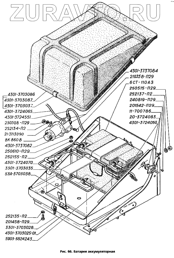
6СТ-110А3 6СТ-110А3 Батарея аккумуляторная Нет в продаже
4301-3724070 4301-3724070 Провод Нет в продаже
4301-3724551 4301-3724551 Провод Нет в продаже
5903-3824243 5903-3824243 Трубка Нет в продаже
3301-3703035 3301-3703035 Рамка крепления аккумуляторных батарей Нет в продаже
21-3713090 21-3713090 Скоба Нет в продаже
53А-3703038 53А-3703038 Стяжка крепления аккумуляторной батареи Нет в продаже
20-3724083 20-3724083 Уплотнитель Нет в продаже
4301-3703037 4301-3703037 Упор крышки Нет в продаже
4301-3737082 4301-3737082 Чехол защитный Нет в продаже
4301-3737084 4301-3737084 Чехол защитный вывода стартера Нет в продаже
252137-П2 252137-П2 Шайба 12.ОТ ОСТ 37.001.115-75 Нет в продаже
252134-П2 252134-П2 Шайба 6Т ОСТ 37.001.115-75 Нет в продаже
252155-П2 252155-П2 Шайба 8Л ОСТ 37.001.115-75 Нет в продаже
4301-3724065 4301-3724065 Провод Нет в продаже
4301-3724050 4301-3724050 Провод Нет в продаже
201542-П29 201542-П29 Болт М12-6gх35 ОСТ 37.001.123-96 Нет в продаже
210358-П29 210358-П29 Болт М6-6gх20 ОСТ 37.001.106-75 Нет в продаже
201458-П29 201458-П29 Болт М8-6gх25 ОСТ 37.001.123-96 Нет в продаже
240819-П29 240819-П29 Винт М4х16 ОСТ 37.001.188-81 Нет в продаже
ВК860В.3737000 ВК860В.3737000 Выключатель ВК860В Нет в продаже
250515-П29 250515-П29 Гайка М12х1,25-6Н ОСТ 37.001.124-93 Нет в продаже
250508-П29 250508-П29 Гайка М6-6Н ОСТ 37.001.124-93 Нет в продаже
250610-П29 250610-П29 Гайка М8-6Н ОСТ 37.001.124-93 Нет в продаже
3301-3703028 3301-3703028 Кронштейн крепления основания Нет в продаже
4301-3703086 4301-3703086 Крышка аккумуляторных батарей в сборе Нет в продаже
4301-3703087 4301-3703087 Крышка аккумуляторных батарей Нет в продаже
11-700786 11-700786 Обойма уплотнителя пучка проводов Нет в продаже
4301-3703025-01 4301-3703025-01 Основание аккумуляторных батарей Нет в продаже
252135-П2 252135-П2 Шайба 8Т ОСТ 37.001.115-75 Нет в продаже
6СТ-110А3
4301-3724070
4301-3724551
5903-3824243
3301-3703035
21-3713090
53А-3703038
20-3724083
4301-3703037
4301-3737082
4301-3737084
252137-П2
252134-П2
252155-П2
4301-3724065
4301-3724050
201542-П29
210358-П29
201458-П29
240819-П29
ВК860В.3737000
250515-П29
250508-П29
250610-П29
3301-3703028
4301-3703086
4301-3703087
11-700786
4301-3703025-01
252135-П2
100%
Содержащиеся в справочниках-каталогах запасные части и детали носят исключительно информационный характер