Назад

Оригинальные каталоги

zoom-in zoom-out enlarge shrink circle-right circle-left file-text2 info cart
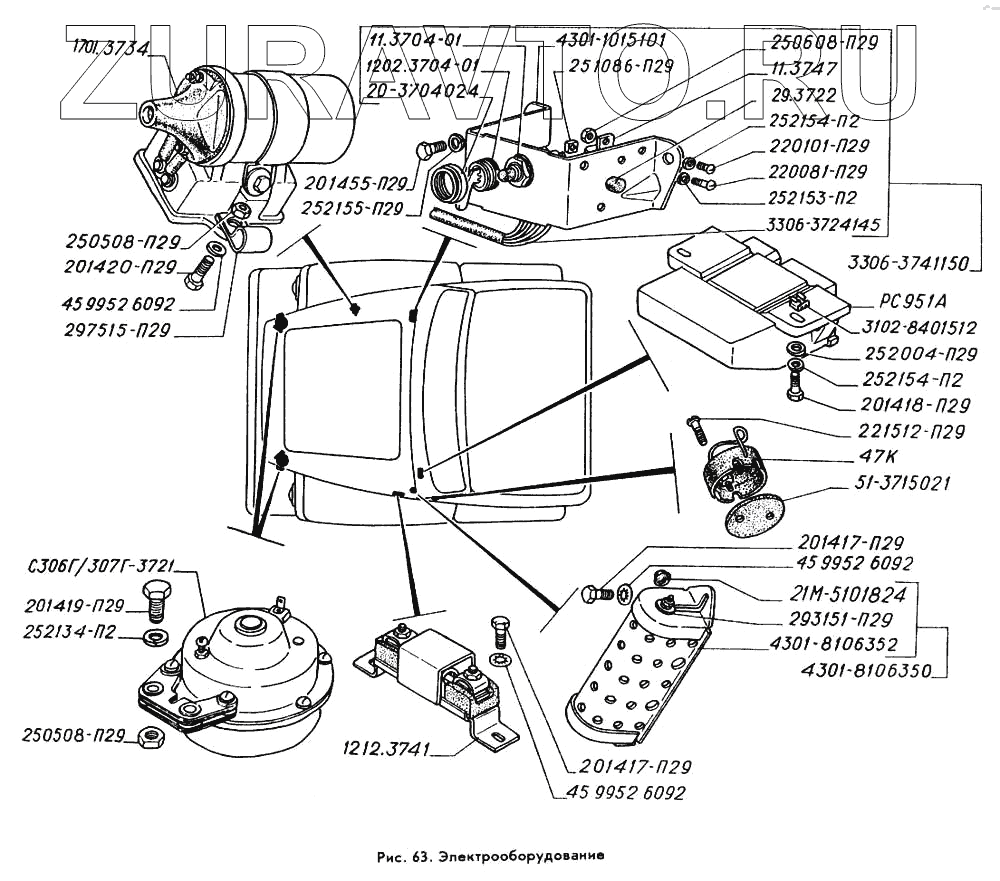
Номер Наименование Цена
4301-8106350 4301-8106350 Балластное сопротивление в сборе Нет в продаже
С306Г/307Г-3721 С306Г/307Г-3721 Комплект рупорных звуковых сигналов Нет в продаже
4301-1015101 4301-1015101 Кронштейн Нет в продаже
29.3722 29.3722 Предохранитель Нет в продаже
РС951А-3726010 РС951А-3726010 Прерыватель указателей поворота РС951А Нет в продаже
51-3715021 51-3715021 Прокладка штепсельной розетки переносной лампы Нет в продаже
3306-3741150 3306-3741150 Пульт управления подогревателем Нет в продаже
1212.3741000 1212.3741000 Резистор добавочный с электротермическим реле 1212.3741 Нет в продаже
11.3747010 11.3747010 Реле 11.3747 Нет в продаже
47К 47К Розетка штепсельная Нет в продаже
297515-П29 297515-П29 Скоба Нет в продаже
293151-П29 293151-П29 Шайба 4 Нет в продаже
252153-П2 252153-П2 Шайба 5Л ОСТ 37.001.115-75 Нет в продаже
252004-П29 252004-П29 Шайба 6 ОСТ 37.001.144-96 Нет в продаже
252154-П2 252154-П2 Шайба 6Л ОСТ 37.001.115-75 Нет в продаже
252134-П2 252134-П2 Шайба 6Т ОСТ 37.001.115-75 Нет в продаже
252155-П29 252155-П29 Шайба пружинная 8 Нет в продаже
1701.3734 1701.3734 Коммутатор транзисторный с катушкой зажигания Нет в продаже
4301-8106352 4301-8106352 Кожух сопротивления в сборе Нет в продаже
21М-5101824 21М-5101824 Заглушка Нет в продаже
201417-П29 201417-П29 Болт М6-6gх14 ОСТ 37.001.123-96 Нет в продаже
201418-П29 201418-П29 Болт М6-6gх16 ОСТ 37.001.123-96 Нет в продаже
201419-П29 201419-П29 Болт М6-6gх18 ОСТ 37.001.123-96 Нет в продаже
201420-П29 201420-П29 Болт М6-6gх20 ОСТ 37.001.123-96 Нет в продаже
201455-П29 201455-П29 Болт М8-6gх18 ОСТ 37.001.123-96 Нет в продаже
221512-П29 221512-П29 Винт М3-6gх28 ОСТ 37.001.125-81 Нет в продаже
220081-П29 220081-П29 Винт М5-6gх18 ОСТ 37.001.127-81 Нет в продаже
220101-П29 220101-П29 Винт М6-6gх8 ОСТ 37.001.127-81 Нет в продаже
11.3704-01 11.3704-01 Выключатель кнопочный Нет в продаже
1202.3704-01 1202.3704-01 Выключатель Нет в продаже
20-3704024 20-3704024 Гайка Нет в продаже
251086-П29 251086-П29 Гайка М5-6Н ОСТ 37.001.112-91 Нет в продаже
250508-П29 250508-П29 Гайка М6-6Н ОСТ 37.001.124-93 Нет в продаже
250608-П29 250608-П29 Гайка М6-6Н ОСТ 37.001.124-93 Нет в продаже
3102-8401512 3102-8401512 Держатель гайки в сборе Нет в продаже
3306-3724145 3306-3724145 Жгут проводов подогревателя Нет в продаже
45 9952 6092 45 9952 6092 Шайба 6 Нет в продаже
4301-8106350
С306Г/307Г-3721
4301-1015101
29.3722
РС951А-3726010
51-3715021
3306-3741150
1212.3741000
11.3747010
47К
297515-П29
293151-П29
252153-П2
252004-П29
252154-П2
252154-П2
252134-П2
252155-П29
1701.3734
4301-8106352
21М-5101824
201417-П29
201417-П29
201418-П29
201419-П29
201420-П29
201455-П29
221512-П29
220081-П29
220101-П29
11.3704-01
1202.3704-01
20-3704024
251086-П29
250508-П29
250508-П29
250608-П29
3102-8401512
3306-3724145
45 9952 6092
45 9952 6092
45 9952 6092
100%
Содержащиеся в справочниках-каталогах запасные части и детали носят исключительно информационный характер