Назад

Оригинальные каталоги

zoom-in zoom-out enlarge shrink circle-right circle-left file-text2 info cart
Номер Наименование Цена
53-1702010 53-1702010 Верхняя крышка коробки передач в сборе Нет в продаже
52-1702094 52-1702094 Головка включения заднего хода коробки передач в сборе Нет в продаже
252136-П2 252136-П2 Шайба 10 ОТ ОСТ 37.001.115-75 Нет в продаже
258252-П 258252-П Шплинт 1,2х150 ОСТ 37.001.172-92 Нет в продаже
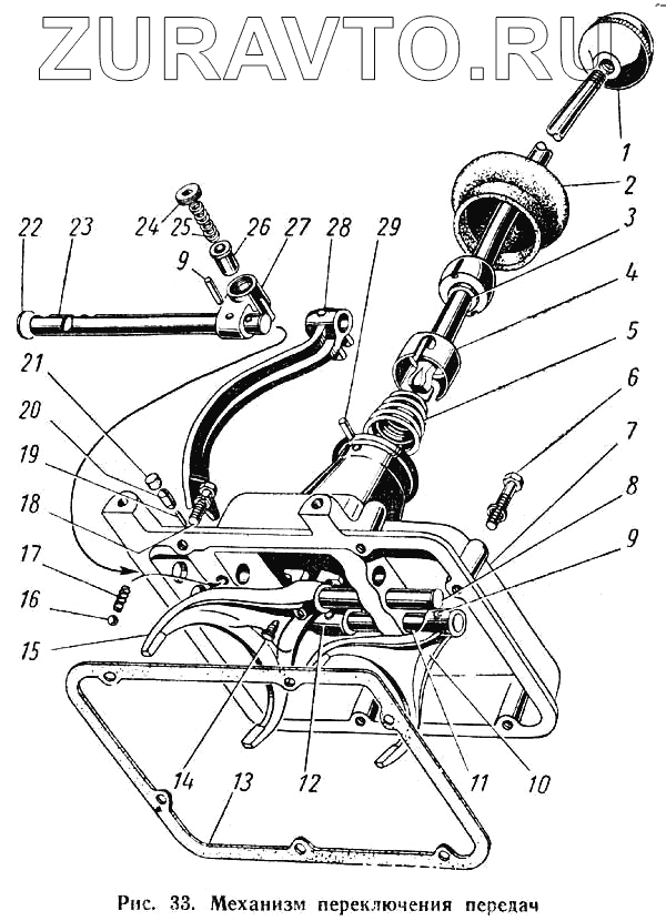
1 51-1703088 Рукоятка в сборе Нет в продаже
2 52-1702128 Колпак верхней крышки коробки передач защитный Нет в продаже
3 52-1702120 Рычаг переключения передач коробки передач Нет в продаже
4 52-1702126 Колпак рычага переключения передач Нет в продаже
5 52-1702122 Пружина рычага переключения передач Нет в продаже
6 201505-П8 Болт М10-6gх45 Нет в продаже
7 52-1702015 Верхняя крышка коробки передач Нет в продаже
8 53-1702041 Шток переключения третьей и четвертой передач Нет в продаже
9 258948-П8 Штифт 5х25 Нет в продаже
10 53-1702024 Вилка переключения первой и второй передач коробки передач Нет в продаже
11 53-1702060 Шток переключения первой и второй передач Нет в продаже
12 52-1702025 Головка штока переключения первой и второй передач коробки передач Нет в продаже
13 52-1702016 Прокладка верхней крышки коробки передач Нет в продаже
14 290766-П Винт М10х1-6hх17,5 Нет в продаже
15 53-1702027 Вилка переключения третьей и четвертой передач коробки передач Нет в продаже
16 263014-П Шарик диаметром 9,5 мм фиксатора механизма переключения передач Нет в продаже
17 ААА-7234 Пружина стопорного шарика механизма переключения передач Нет в продаже
18 201497-П8 Болт М10х25 Нет в продаже
19 52-1702075 Палец штока переключения третьей и четвертой передач стопорный Нет в продаже
20 52-1702080 Плунжер стопорный штоков переключения передач Нет в продаже
21 52-1702089 Заглушка отверстия плунжеров штока переключения передач Нет в продаже
22 260307-П Заглушка 20 Нет в продаже
23 52-1702042 Шток переключения заднего хода Нет в продаже
24 52-1702099 Стопор пружины Нет в продаже
25 52-1702098 Пружина предохранителя включения заднего хода коробки передач Нет в продаже
26 52-1702097 Предохранитель включений первой и второй передач и заднего хода Нет в продаже
27 52-1702095 Головка штока заднего хода коробки передач Нет в продаже
28 52-1702092 Вилка включения заднего хода коробки передач Нет в продаже
29 258639-П18 Штифт 6х16 установочный рычага переключения передач Нет в продаже
1
2
3
4
5
6
7
8
9
9
10
11
12
13
14
15
16
17
18
19
20
21
22
23
24
25
26
27
28
29
100%
Содержащиеся в справочниках-каталогах запасные части и детали носят исключительно информационный характер