Назад

Оригинальные каталоги

zoom-in zoom-out enlarge shrink circle-right circle-left file-text2 info cart
Номер Наименование Цена
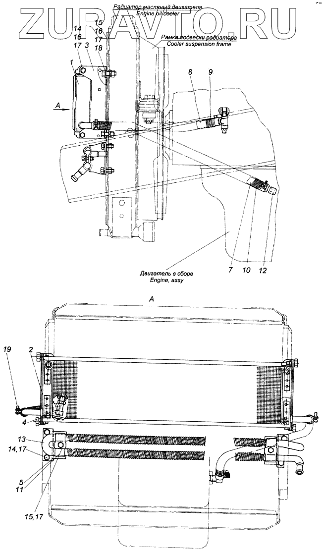
4310-1000008 4310-1000008 Установка масляных радиаторов Нет в продаже
1 5320-1013010 Радиатор масляный в сборе Нет в продаже
2 5320-1013082 Кронштейн правый Нет в продаже
3 5320-1013083 Кронштейн левый Нет в продаже
4 5320-1013095 5320-1013095 - кран масляной системы 5320-1013095 Нет в продаже
5 5320-3419030 Кронштейн масляного радиатора в сборе Нет в продаже
7 4310-1013071 Рукав Нет в продаже
8 5320-1013101 Рукав Нет в продаже
9 5320-1013102 Оболочка шланга подвода масла Нет в продаже
10 5320-1013105 Оболочка Нет в продаже
11 5320-3419037 Скоба крепления трубки ГУРа (КАМАЗ)
135 Р
12 864845 Угольник отвода масла Нет в продаже
13 5320-3419011 Радиатор масляный гидроусилителя руля Нет в продаже
14 1/60432/21 Болт М8-6gх16 Нет в продаже
15 1/60434/21 Болт М8-6gх20 Нет в продаже
16 1/61008/11 Гайка М8х1,25-6Н Нет в продаже
17 1/05166/77 Шайба 8 пружинная Нет в продаже
18 1/05196/01 1/05196/01 - шайба 1 Нет в продаже
19 1/01690/90 Хомут 25 Нет в продаже
1
2
3
4
5
7
8
9
10
11
12
13
14
14
15
15
16
16
17
17
17
17
18
19
100%
Содержащиеся в справочниках-каталогах запасные части и детали носят исключительно информационный характер