Оригинальные каталоги
| № | Номер | Наименование | Цена | |
|---|---|---|---|---|
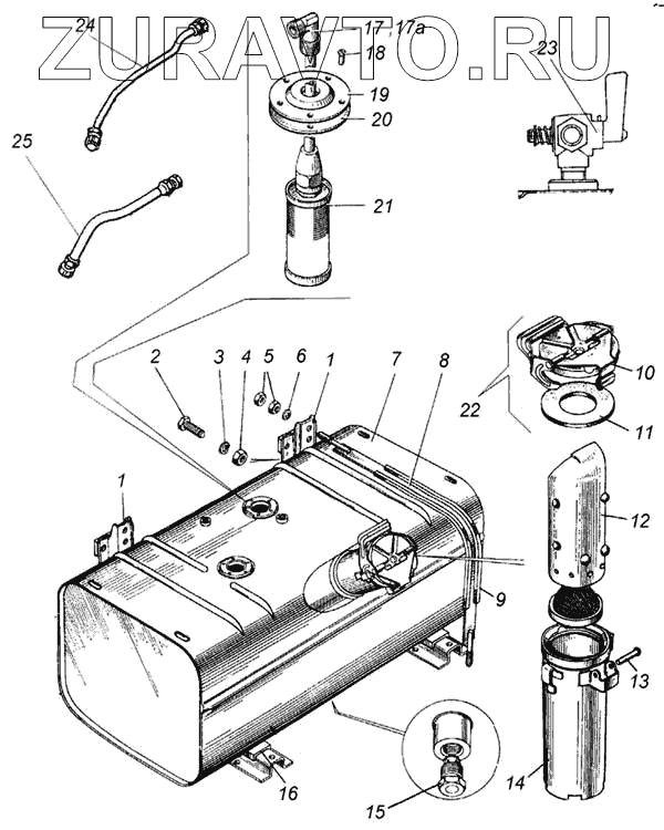
| 1 | 5320-1101103 | Кронштейн | Нет в продаже |
|
| 2 | 1/55406/21 | Болт М12х1,25-6gх40 | Нет в продаже |
|
| 3 | 1/05170/77 | Шайба 12 пружинная | Нет в продаже |
|
| 4 | 1/61015/11 | Гайка М12х1,25-6Н | Нет в продаже |
|
| 5 | 1/21647/11 | Гайка М10х1,25-6Н | Нет в продаже |
|
| 6 | 1/26386/01 | 1/26386/01 - шайба 1 | Нет в продаже |
|
| 7 | 5410-1101010-10 | Бак топливный в сборе | Нет в продаже |
|
| 8 | 5320-1101110 | Хомут крепления топливного бака в сборе | Нет в продаже |
|
| 9 | 5320-1311068 | Прокладка хомута | Нет в продаже |
|
| 10 | 5320-1103070 | Облицовка пробки в сборе | Нет в продаже |
|
| 11 | 5320-1103075-01 | Прокладка пробки | Нет в продаже |
|
| 12 | 5320-1101060-10 | Трубка выдвижная наливной горловины | Нет в продаже |
|
| 13 | 255141 | Заклепка 5х40.01.016 ОСТ 37.001.157-75 | Нет в продаже |
|
| 14 | 5320-1101060-10 | Трубка выдвижная наливной горловины | Нет в продаже |
|
| 15 | 1/43253/01 | Пробка резьбовая коническая 22х1,5 | Нет в продаже |
|
| 16 | 5320-1101109 | Прокладка кронштейна | Нет в продаже |
|
| 17 | 5320-1104015 | Трубка приемная с угольником в сборе | Нет в продаже |
|
| 17 | 5410-1104015 | Трубка приемная с краном в сборе | Нет в продаже |
|
| 18 | 1/03892/01 | Винт М5-6gх8 | Нет в продаже |
|
| 19 | 5320-1104021 | Фланец крепления приемной трубки | Нет в продаже |
|
| 20 | 5320-3827013 | 5320-3827013 - прокладка 5320-3827013 | Нет в продаже |
|
| 21 | 5320-1104023 | Фильтр приемной трубки в сборе | Нет в продаже |
|
| 22 | 5320-1103010-01 | Пробка бака | Нет в продаже |
|
| 23 | 5410-1104160 | Кран распределительный переключения баков (КАМАЗ) |
1608 Р
|
|
| 24 | 5320-1104102 | Рукав соединительный топливопроводов | Нет в продаже |
|
| 25 | 5320-1104159 | Шланг соединительный топливных трубопроводов | Нет в продаже |
|
1
1
2
3
4
5
6
7
8
9
10
11
12
13
14
15
16
17
17
18
19
20
21
22
23
24
25
Содержащиеся в справочниках-каталогах запасные части и детали носят исключительно информационный характер