Оригинальные каталоги
| № | Номер | Наименование | Цена | |
|---|---|---|---|---|
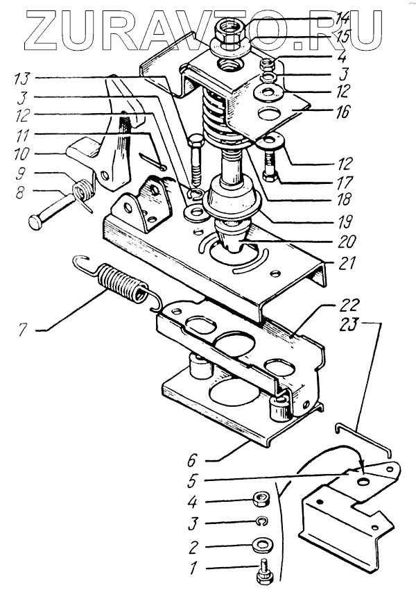
| 1 | 250-8406059 | Ось привода замка капота | Нет в продаже |
|
| 2 | 250-5304078 | Прокладка рычагов | Нет в продаже |
|
| 3 | 252134 | Шайба 6Т | Нет в продаже |
|
| 4 | 250508 | Гайка М6-6Н | Нет в продаже |
|
| 5 | 250-8406058 | Привод замка капота | Нет в продаже |
|
| 6 | 250-8406070 | Направляющая запорной пластины | Нет в продаже |
|
| 7 | 250-8406034 | Пружина запорной пластины | Нет в продаже |
|
| 8 | 260006 | Палец 5х25 | Нет в продаже |
|
| 9 | 250-8406116 | Пружина крюка | Нет в продаже |
|
| 10 | 250-8406106 | Крюк предохранительный | Нет в продаже |
|
| 11 | 258012 | Шплинт 2х12 | Нет в продаже |
|
| 12 | 252037 | Шайба 6 | Нет в продаже |
|
| 13 | 201426 | Болт М6х35 | Нет в продаже |
|
| 14 | 250514 | Гайка М12 | Нет в продаже |
|
| 15 | 252045 | 252045 - шайба 252045 | Нет в продаже |
|
| 16 | 250-8406060-10 | Пластина штыря | Нет в продаже |
|
| 17 | 201420 | Болт М6х20 | Нет в продаже |
|
| 18 | 250-8406046 | Пружина штыря | Нет в продаже |
|
| 19 | 250-8406048-10 | Чашка пружины | Нет в продаже |
|
| 20 | 250-8406044-10 | Штырь замка капота | Нет в продаже |
|
| 21 | 250-8406020 | Корпус замка капота в сборе | Нет в продаже |
|
| 22 | 250-8406032 | Пластина запорная | Нет в продаже |
|
| 23 | 250-8406176 | Тяга привода замка капота | Нет в продаже |
|
1
2
3
3
3
4
4
5
6
7
8
9
10
11
12
12
12
13
14
15
16
17
18
19
20
21
22
23
Содержащиеся в справочниках-каталогах запасные части и детали носят исключительно информационный характер