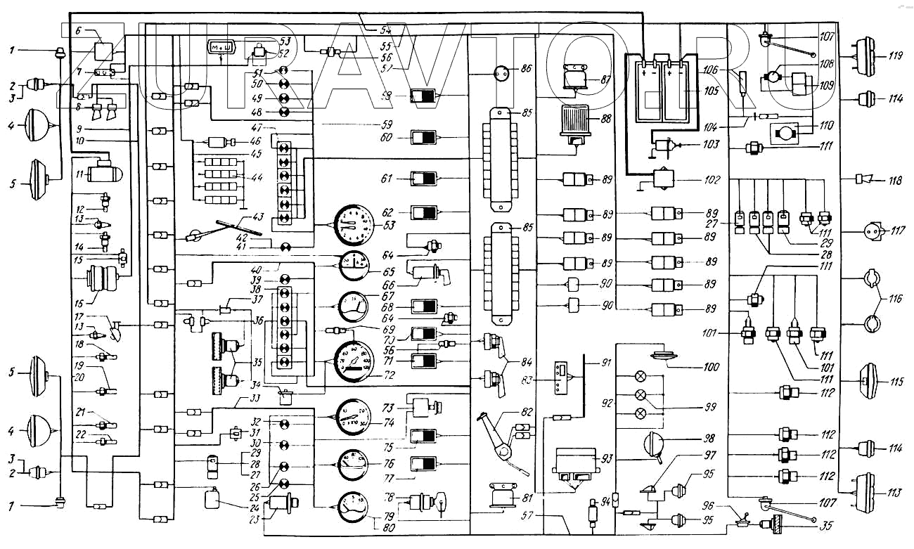
Оригинальные каталоги
| № | Номер | Наименование | Цена | |
|---|---|---|---|---|
| 1 | УП101-3726000-Б | Указатель поворота боковой или фонарь знака автопоезда | Нет в продаже |
|
| 2 | ПФ-3712010-Б | Фонарь передний | Нет в продаже |
|
| 3 | 26.3726 | 26.3726 - указатель 26.3726 26.3726 | Нет в продаже |
|
| 4 | 341.3711 | Фара головная | Нет в продаже |
|
| 4 | ФГ22-3711010-ВВ | Фара головная | Нет в продаже |
|
| 5 | ФГ152А-3743010 | Фара противотуманная | Нет в продаже |
|
| 6 | 111.3722000 | Блок предохранителей центральный | Нет в продаже |
|
| 7 | 15.3723000 | Панель соединительная | Нет в продаже |
|
| 8 | С306Д/С307Д-3721000-01 | Сигнал звуковой электрический (комплект) | Нет в продаже |
|
| 9 | 260-7905010 | Жгут проводов генератора | Нет в продаже |
|
| 10 | 6437-3724012-10 | Жгут проводов освещения | Нет в продаже |
|
| 10 | 643701-3724012-10 | Жгут проводов освещения | Нет в продаже |
|
| 11 | 25.3708000-01 | Стартер | Нет в продаже |
|
| 12 | 13.3839600 | Датчик сигнализации засоренности воздушного фильтра | Нет в продаже |
|
| 13 | 111.3740 | Свеча штифтовая | Нет в продаже |
|
| 14 | ТМ100В-3808000 | Датчик указателя температуры воды | Нет в продаже |
|
| 15 | 11.3741000 | Клапан электромагнитный ЭФУ | Нет в продаже |
|
| 16 | 1702.3771 | Генератор | Нет в продаже |
|
| 17 | ПД308Б-3715300-У | Фонарь подкапотной подсветки | Нет в продаже |
|
| 18 | ТМ111-3808000 | Датчик сигнализатора аварийной температуры воды | Нет в продаже |
|
| 19 | Датчик засоренности масляного фильтра | Датчик засоренности масляного фильтра | Нет в продаже |
|
| 20 | 6437-3724268-21 | Жгут проводов по двигателю | Нет в продаже |
|
| 21 | АДЮИ.407529.001 | Датчик аварийного давления масла | Нет в продаже |
|
| 22 | ММ370-3829010-У-ХЛ | Датчик указателя давления масла | Нет в продаже |
|
| 23 | 245.3710-01 | Выключатель аварийной сигнализации | Нет в продаже |
|
| 24 | 1112.5208000-02 | Электростеклоомыватель | Нет в продаже |
|
| 25 | 2212.3803-23 | Лампа контрольная падения давления масла в двигателе | Нет в продаже |
|
| 26 | 2212.3803-22 | Лампа контрольная аварийной температуры охлаждающей жидкости | Нет в продаже |
|
| 27 | 11.3745000-21Г4 | Электроклапан противотуманного устройства, блокировки межосевого дифференциала, отключения трансмиссии, блокировки межколесного дифференциала, отбора мощности | Нет в продаже |
|
| 28 | РС330-1705000 | Электромагнит клапана противоугонного устройства, блокировки межосевого дифференциала, блокировки межколесного дифференциала, отбора мощности | Нет в продаже |
|
| 29 | 11.3745 | Электромагнит клапана противоугонного устройства блокировки межосевого дифференциала включениянизшей передачи, блокировки межколесного дифференциала | Нет в продаже |
|
| 30 | 2212.3803-24 | Лампа контрольная засоренности масляного фильтра | Нет в продаже |
|
| 32 | 2212.3803-20 | Лампа контрольная засоренности воздушного фильтра | Нет в продаже |
|
| 33 | 6437-3724055 | Жгут проводов приборного щитка левого | Нет в продаже |
|
| 33 | 643701-3724055 | Жгут проводов левого щитка приборов | Нет в продаже |
|
| 34 | 2001.3843010 | Датчик электроспидометра | Нет в продаже |
|
| 35 | МЭ250-3730000 | Электродвигатель отопителей | Нет в продаже |
|
| 36 | СЭ300-8102100 | Сопротивление дополнительное | Нет в продаже |
|
| 37 | КБП-Ф | Конденсатор проходной | Нет в продаже |
|
| 38 | 2312.3803-16 | Блок контрольных ламп | Нет в продаже |
|
| 39 | 2312.3803-17 | Лампа контрольная включения ЭФУ | Нет в продаже |
|
| 40 | 64431-3724056 | Жгут проводов приборного щитка среднего | Нет в продаже |
|
| 40 | 643701-3724056 | Жгут проводов приборного щитка среднего | Нет в продаже |
|
| 40 | 6437-3724056 | Жгут проводов щитка приборов среднего | Нет в продаже |
|
| 41 | 2212.3803-32 | 2212.3803-32 - лампа 2212.3803-32 2212.3803-32 | Нет в продаже |
|
| 42 | 2212.3803-34 | Лампа контрольная падения давления воздуха в шинах прицепа | Нет в продаже |
|
| 43 | 34.5205010 | Стеклоочиститель электрический | Нет в продаже |
|
| 44 | Нагревательные элементы обогревных стекол | Нагревательные элементы обогревных стекол | Нет в продаже |
|
| 45 | 643701-3724170-20 | Жгут проводов обогрева стекол | Нет в продаже |
|
| 46 | П305 | Выключатель обогревных стекол | Нет в продаже |
|
| 47 | 2312.3803-15 | Блок контрольных ламп с диодами | Нет в продаже |
|
| 48 | 2212.3803-13 | Лампа контрольная включения блокировки межколесного дифференциала | Нет в продаже |
|
| 49 | 2212.3803-14 | Лампа контрольная выключения блокировки межосевого дифференциала | Нет в продаже |
|
| 50 | 2312.3803-15 | Блок контрольных ламп с диодами | Нет в продаже |
|
| 51 | 2212.3803-35 | 2212.3803-35 - лампа 2212.3803-35 2212.3803-35 | Нет в продаже |
|
| 52 | 1502-7904010 | Фильтр конденсаторный | Нет в продаже |
|
| 53 | 2712.3702010 | Реле-регулятор напряжения | Нет в продаже |
|
| 54 | 643701-3724068 | Жгут проводов силовой | Нет в продаже |
|
| 54 | 6437-3724068 | Жгут проводов силовой | Нет в продаже |
|
| 55 | 65055-3724030-20 | Жгут проводов по лонжерону | Нет в продаже |
|
| 55 | 65053-3724030-40 | Жгут проводов по лонжерону | Нет в продаже |
|
| 55 | 650531-3724030-40 | Жгут проводов по лонжерону | Нет в продаже |
|
| 55 | 64431-3724030 | Жгут проводов по лонжерону | Нет в продаже |
|
| 56 | 3403.3747000 | Диод разделительный | Нет в продаже |
|
| 57 | 644301-3724010 | Жгут проводов основной | Нет в продаже |
|
| 57 | 6443-3724010 | Жгут проводов основной | Нет в продаже |
|
| 58 | ВКл.1-01.08 | Выключатель плафона кабины | Нет в продаже |
|
| 59 | 6437-3724057 | Жгут проводов приборного щитка правого | Нет в продаже |
|
| 59 | 643701-3724057 | Жгут проводов приборного щитка правого | Нет в продаже |
|
| 60 | ВК343-3709000.01.35 | Выключатель электроклапана блокировки межосевого дифференциала | Нет в продаже |
|
| 61 | П150-3709000.06.14 | Выключатель блокировки межколесного дифференциала | Нет в продаже |
|
| 62 | П147-3709000.04.11 | Переключатель режимов электродвигателей отопителя | Нет в продаже |
|
| 63 | 1901.3830010-0 | Манометр двухстрелочный | Нет в продаже |
|
| 64 | 11.3704000 | Выключатель нагревателя топлива и ЭФУ | Нет в продаже |
|
| 65 | АП111В-3811010 | Амперметр | Нет в продаже |
|
| 66 | ВК354-3704000 | Выключатель предпускового подогревателя | Нет в продаже |
|
| 67 | 34.3806010 | 34.3806010 - приемник указателя уровня топлива 34.3806010 | Нет в продаже |
|
| 68 | П147-3709000.02.13 | Переключатель датчиков указателя уровня топлива | Нет в продаже |
|
| 69 | ПР118Б-3722000-01 | Предохранитель плавкий 2А | Нет в продаже |
|
| 70 | П147-3709000.06.16 | Переключатель фонарей автопоезда и поворотной фары | Нет в продаже |
|
| 71 | П147-3709000.04.03 | Переключатель противотуманных фар и заднего противотуманного огня | Нет в продаже |
|
| 72 | 121.3802010 | Спидометр | Нет в продаже |
|
| 73 | ВК416Б-3709000-01 | Выключатель света щитка приборов с реостатом | Нет в продаже |
|
| 74 | 2531.3813010 | Тахометр | Нет в продаже |
|
| 75 | П150-3709000.14.10 | Переключатель электростеклоомывателя | Нет в продаже |
|
| 76 | 36.3807010 | Указатель температуры воды | Нет в продаже |
|
| 77 | П147-3709000.09.09 | Переключатель электростеклоочистителя | Нет в продаже |
|
| 78 | 2101.3704-10 | Выключатель стартера | Нет в продаже |
|
| 79 | 33.3810010 | 33.3810010 - приемник указателя давления 33.3810010 | Нет в продаже |
|
| 80 | А-24-2 | Лампа | Нет в продаже |
|
| 81 | 733.3747-10 | 733.3747-10 - реле-сигнализатор 733.3747-10 733.3747-10 | Нет в продаже |
|
| 82 | П145-3726000 | Комбинированный переключатель света и указателей поворота | Нет в продаже |
|
| 83 | 67.3761000-01 | Таймер | Нет в продаже |
|
| 84 | ВКл.1БС-01.41 | Выключатель отбора мощности | Нет в продаже |
|
| 85 | ПР112-3722000 | Блок предохранителей освещения и потребителей | Нет в продаже |
|
| 86 | 47К | Розетка переносной лампы | Нет в продаже |
|
| 87 | 738.3747-20 | 738.3747-20 - реле 738.3747-20 738.3747-20 | Нет в продаже |
|
| 88 | 2622.3747000 | Реле блокировки стартера | Нет в продаже |
|
| 89 | 11.3747010 | Реле | Нет в продаже |
|
| 90 | РС493-3803010 | Реле-прерыватель звукового сигнала заднего хода и стояночной тормозной системы | Нет в продаже |
|
| 91 | 6437-3724165 | Жгут проводов таймера | Нет в продаже |
|
| 92 | 260-3724050-10 | Жгут проводов освещения дополнительный | Нет в продаже |
|
| 93 | РС951А-3726010-У-ХЛ | Реле-прерыватель указателей поворота | Нет в продаже |
|
| 94 | 12.3747 | Сопротивление тепловое | Нет в продаже |
|
| 95 | 443.312.311.109 | Фонарь полного габарита задний | Нет в продаже |
|
| 96 | 5102.3709 | Переключатель дополнительного отопителя | Нет в продаже |
|
| 97 | 26.3712 | Фонарь габаритный передний | Нет в продаже |
|
| 98 | 171.3711010-ХЛ | Фара-прожектор | Нет в продаже |
|
| 99 | УП101-3726000-В | Фонарь освещения знака автопоезда | Нет в продаже |
|
| 100 | ПК201-3714010-Д | Плафон освещения кабины | Нет в продаже |
|
| 101 | ММ125Д-3810600 | Датчик вспомогательной тормозной системы и сигнала торможения | Нет в продаже |
|
| 102 | ПС315-3723100-А | Розетка внешнего пуска | Нет в продаже |
|
| 103 | ВК318Б-3704000 | Выключатель "массы" | Нет в продаже |
|
| 104 | 643701-3724166 | Жгут проводов подогревателя | Нет в продаже |
|
| 105 | 6СТ-190А | Батарея аккумуляторная | Нет в продаже |
|
| 105 | 6СТ-190ТРН | Батарея аккумуляторная | Нет в продаже |
|
| 106 | 441.3710 | Термодатчик подогревателя | Нет в продаже |
|
| 107 | АДЮИ.407511.009 | Датчик указателя уровня топлива | Нет в продаже |
|
| 108 | 34.3730 | Электродвигатель циркуляционного насоса | Нет в продаже |
|
| 109 | Блок управления подогревателем | Блок управления подогревателем | Нет в продаже |
|
| 110 | 14.8106 | Электрооборудование подогревателя | Нет в продаже |
|
| 111 | ВАК-010 | Датчики сигнализации включения блокировки межосевого и межколесного дифференциалов, низшей передачи, заднего хода, отбора мощности, включения демультипликатора | Нет в продаже |
|
| 112 | ММ124Д-3810600 | Датчик включения стояночной тормозной системы, падения давления воздуха 1-го контура, падения давления воздуха запасного контура | Нет в продаже |
|
| 113 | 351.3716010 | Фонарь задний левый | Нет в продаже |
|
| 114 | ФП135Б-3716010 | Фонарь заднего хода | Нет в продаже |
|
| 115 | 24.3716010 | Фонарь задний противотуманный | Нет в продаже |
|
| 115 | 2412.3716 | Фонарь задний противотуманный | Нет в продаже |
|
| 116 | ПС325-3723100 | Розетка штепсельная прицепа | Нет в продаже |
|
| 117 | ПС400-3723000 | Розетка переносной лампы | Нет в продаже |
|
| 118 | С306Г-3721000 | Сигнал звуковой низкого тона С306Г | Нет в продаже |
|
| 119 | 35.3716010 | Фонарь задний правый | Нет в продаже |
|
1
1
2
2
3
3
4
4
4
5
5
6
7
8
9
10
10
11
12
13
13
14
15
16
17
18
19
20
21
22
23
24
25
26
27
27
28
28
29
29
30
32
33
33
34
35
35
36
37
38
39
40
40
40
41
42
43
44
45
46
47
48
49
50
51
52
53
54
54
55
55
55
55
56
56
57
57
57
58
59
59
60
61
62
63
64
64
65
66
67
68
69
70
71
72
73
74
75
76
77
78
79
80
81
82
83
84
85
85
86
87
88
89
89
89
89
89
89
89
89
89
90
90
91
92
93
94
95
95
96
97
98
99
100
101
101
102
103
104
105
105
106
107
107
108
109
110
111
111
111
111
111
112
112
112
112
113
114
114
115
115
116
117
118
119
Содержащиеся в справочниках-каталогах запасные части и детали носят исключительно информационный характер