Назад

Оригинальные каталоги

zoom-in zoom-out enlarge shrink circle-right circle-left file-text2 info cart
Номер Наименование Цена
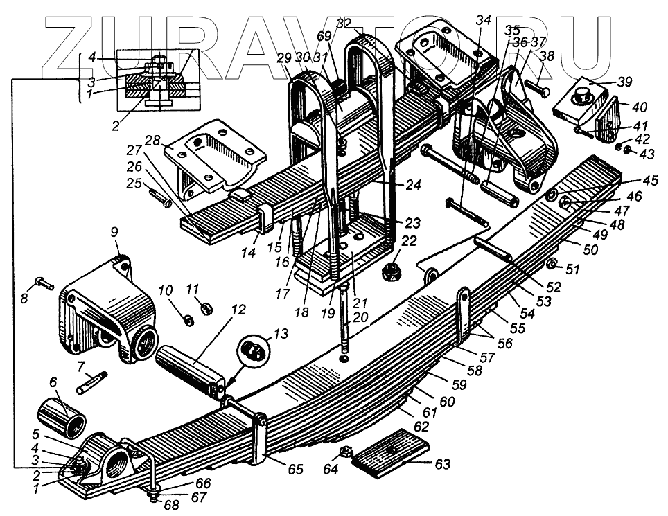
509-2912012-Б 509-2912012-Б Рессора задняя в сборе Нет в продаже
500А-2912051-01 500А-2912051-01 Лист № 4 задней рессоры с накладкой в сборе Нет в продаже
509-2912052-Б 509-2912052-Б Лист № 5 задней рессоры с хомутами в сборе Нет в продаже
500А-2912446 500А-2912446 Кронштейн задней рессоры, задний Нет в продаже
500-2912063 500-2912063 Хомут Нет в продаже
509-2912063 509-2912063 Хомут 10-го листа задней рессоры Нет в продаже
500-2912015 500-2912015 Ушко задней рессоры в сборе Нет в продаже
500-2912046 500-2912046 Палец крепления накладного ушка задней рессоры с гайкой, втулкой и шайбой в сборе Нет в продаже
500А-2912012 500А-2912012 Рессора задняя в сборе Нет в продаже
500А-2913012 500А-2913012 Рессора дополнительная Нет в продаже
509-2912051-В 509-2912051-В Лист № 4 задней рессоры с накладкой в сборе Нет в продаже
500А-2913052 500А-2913052 Лист № 4 дополнительной рессоры с хомутами в сборе Нет в продаже
258069-П29 258069-П29 Шплинт Нет в продаже
256910-П 256910-П Заклепка Нет в продаже
256906-П 256906-П Заклепка Нет в продаже
256838-П 256838-П Заклепка Нет в продаже
294430-П 294430-П Заклепка Нет в продаже
294432-П 294432-П Заклепка Нет в продаже
294434-П 294434-П Заклепка Нет в продаже
509-2912610-А 509-2912610-А Кронштейн Нет в продаже
509-2912053-Б 509-2912053-Б Лист № 10 задней рессоры с хомутами в сборе Нет в продаже
500-2912620 500-2912620 Пластина буфера задней рессоры Нет в продаже
1 500-2912018 Втулка Нет в продаже
2 252020-П29 Шайба Нет в продаже
3 374932-П29 Гайка Нет в продаже
4 500-2912020 Палец крепления ушка задней рессоры Нет в продаже
5 500-2912016 Ушко задней рессоры Нет в продаже
6 200-2912028 Втулка ушка задней рессоры Нет в продаже
7 500А-2912482 Клин пальца ушка задней рессоры Нет в продаже
8 252899-П Заклепка Нет в продаже
9 500А-2912444 Кронштейн задней рессоры, передний Нет в продаже
9 509-2912444 Кронштейн передний задней рессоры Нет в продаже
10 252137-П2 Шайба пружинная Нет в продаже
11 250514-П29 Гайка Нет в продаже
12 500А-2912478 Палец Нет в продаже
13 264020-П8 Пресс-масленка Нет в продаже
14 500А-2913062 Хомут 4-го листа дополнительной рессоры Нет в продаже
15 500А-2913105 Лист № 5 дополнительной рессоры Нет в продаже
16 500А-2913104 Лист № 4 дополнительной рессоры Нет в продаже
17 500А-2913103 Лист № 3 дополнительной рессоры Нет в продаже
18 500А-2913106 Лист № 6 дополнительной рессоры Нет в продаже
19 500А-2912419 Лист подкладной нижний Нет в продаже
20 516-2912032 Болт центровой задней рессоры Нет в продаже
20 371796-П29 Болт центровой задней рессоры Нет в продаже
21 500А-2912418 Пластина Нет в продаже
22 375059-П29 Гайка Нет в продаже
23 371797-П29 Болт центровой дополнительной рессоры Нет в продаже
24 500Т-2913107-Б Лист № 6 дополнительной рессоры Нет в продаже
25 257109-П Заклепка Нет в продаже
26 500А-2913102 Лист 2 Нет в продаже
27 500А-2913101 Лист № 1 дополнительной рессоры Нет в продаже
28 504А-2913444 Кронштейн дополнительной рессоры Нет в продаже
28 5428-2913444 Кронштейн дополнительной рессоры Нет в продаже
28 500-2913444-А Кронштейн Нет в продаже
28 501-2913444-03 Кронштейн дополнительной рессоры Нет в продаже
29 509-2912408 Стремянка задней рессоры Нет в продаже
30 250515-П29 Гайка Нет в продаже
31 501-2912412-А Накладка задней рессоры Нет в продаже
31 5206-2912412 Накладка задней рессоры Нет в продаже
32 500А-2913062 Хомут 4-го листа дополнительной рессоры Нет в продаже
34 200332-П29 Болт Нет в продаже
35 200880-П29 Болт Нет в продаже
36 200-2912452 Втулка распорная Нет в продаже
37 500А-2912447 Кронштейн задней рессоры задний Нет в продаже
37 509-2912447-10 Кронштейн задний задней рессоры Нет в продаже
37 509-2912446-03 Кронштейн Нет в продаже
38 252899-П Заклепка Нет в продаже
39 504Н-2902449 Вкладыш кронштейна рессоры Нет в продаже
40 500-2912448-Б Вкладыш боковой Нет в продаже
41 221725-П29 Винт Нет в продаже
42 252136-П2 Шайба Нет в продаже
43 250512-П29 Гайка Нет в продаже
45 252139-П2 Шайба Нет в продаже
46 250560-П29 Гайка Нет в продаже
47 500-2912101-Б Лист № 1 задней рессоры Нет в продаже
47 509-2912101-В Лист № 1 задней рессоры Нет в продаже
48 500А-2912102 Лист № 2 задней рессоры Нет в продаже
48 509-2912102-Б Лист № 2 задней рессоры Нет в продаже
49 500А-2912103 Лист № 3 задней рессоры Нет в продаже
49 509-2912103-Б Лист № 3 задней рессоры Нет в продаже
50 500А-2912104 Лист № 4 задней рессоры Нет в продаже
50 509-2912104-Б Лист № 4 задней рессоры Нет в продаже
51 250512-П29 Гайка Нет в продаже
52 200-2902068 Трубка распорная хомута рессоры Нет в продаже
53 500А-2912105 Лист № 5 задней рессоры Нет в продаже
53 509-2912105-Б Лист № 5 задней рессоры Нет в продаже
54 509-2912106-Б Лист № 6 задней рессоры Нет в продаже
54 500А-2912106 Лист № 6 задней рессоры Нет в продаже
55 500А-2912107 Лист № 7 задней рессоры Нет в продаже
55 509-2912107-Б Лист № 7 задней рессоры Нет в продаже
56 500А-2912052 Лист № 8 задней рессоры с хомутами в сборе Нет в продаже
57 500А-2912108 Лист № 8 задней рессоры Нет в продаже
57 509-2912108-Б Лист № 8 задней рессоры Нет в продаже
58 500А-2912109 Лист № 9 задней рессоры Нет в продаже
58 509-2912109-Б Лист № 9 задней рессоры Нет в продаже
59 509-2912110-Б Лист № 10 задней рессоры Нет в продаже
59 500А-2912110 Лист № 10 задней рессоры Нет в продаже
60 509-2912111-Б Лист № 11 задней рессоры Нет в продаже
60 500А-2912111 Лист № 11 задней рессоры Нет в продаже
61 500А-2912112 Лист № 12 задней рессоры Нет в продаже
61 509-2912112-Б Лист № 12 задней рессоры Нет в продаже
62 500А-2912113 Лист № 13 задней рессоры Нет в продаже
62 509-2912113-Б Лист № 13 задней рессоры Нет в продаже
62 509-2912114-Б Лист № 14 задней рессоры Нет в продаже
62 509-2912115-Б Лист № 15 задней рессоры Нет в продаже
63 503-2912416 Прокладка клинковая Нет в продаже
64 250515-П29 Гайка Нет в продаже
65 500А-2912062 Хомут 8-го листа задней рессоры Нет в продаже
66 5335-2912025 Накладка Нет в продаже
67 374727-П29 Гайка Нет в продаже
68 500-2912024 Стремянка ушка рессоры Нет в продаже
69 509-2912624 Буфер задней рессоры Нет в продаже
1
1
2
2
3
3
4
4
5
6
7
8
9
9
10
11
12
13
14
15
16
17
18
19
20
20
21
22
23
24
25
26
27
28
28
28
28
29
30
31
31
32
34
35
36
37
37
37
38
39
40
41
42
43
45
46
47
47
48
48
49
49
50
50
51
52
53
53
54
54
55
55
56
57
57
58
58
59
59
60
60
61
61
62
62
62
62
63
64
65
66
67
68
69
100%
Содержащиеся в справочниках-каталогах запасные части и детали носят исключительно информационный характер