Оригинальные каталоги
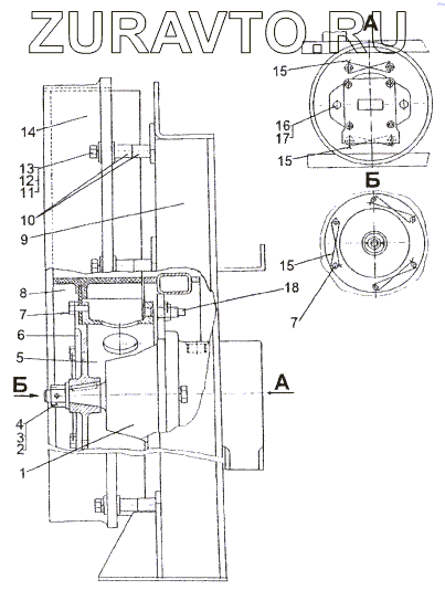
| № | Номер | Наименование | Цена | |
|---|---|---|---|---|
| 1 | 0001-1308001 | Гидромотор М5ВF 045 1N02 А1М1 | Нет в продаже |
|
| 2 | 258054 | Шплинт 4х32 | Нет в продаже |
|
| 3 | 535А-1512111 | Шайба | Нет в продаже |
|
| 4 | 250871 | Гайка М16х1,5-5Н6Н | Нет в продаже |
|
| 5 | 74296-1308100 | Диск стопорный | Нет в продаже |
|
| 6 | 74296-1308028 | Диск | Нет в продаже |
|
| 7 | 370730 | Болт 3М8-6gх18 | Нет в продаже |
|
| 8 | 0001-1308010 | Крыльчатка вентилятора 03-8655-5-0302-000 (0422) | Нет в продаже |
|
| 9 | 74296-1308014 | Корпус вентилятора | Нет в продаже |
|
| 10 | 74295-1915026 | Втулка | Нет в продаже |
|
| 11 | 252155 | Шайба 8Л | Нет в продаже |
|
| 12 | 252038 | Шайба 8 | Нет в продаже |
|
| 13 | 370848 | Болт М8-6gх75 | Нет в продаже |
|
| 14 | 79306-1308044 | Обечайка | Нет в продаже |
|
| 15 | 258254 | Шплинт 1,2х200 | Нет в продаже |
|
| 16 | 201585 | Болт М14-6hх30 | Нет в продаже |
|
| 17 | 252158 | Шайба 14Л | Нет в продаже |
|
| 18 | 79306-1308036 | Фиксатор | Нет в продаже |
|
1
2
3
4
5
6
7
7
8
9
10
11
12
13
14
15
15
15
16
17
18
Содержащиеся в справочниках-каталогах запасные части и детали носят исключительно информационный характер