Оригинальные каталоги
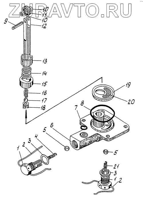
| № | Номер | Наименование | Цена | |
|---|---|---|---|---|
| 1 | 537-2402412 | Пробка | Нет в продаже |
|
| 3 | 535А-1018157 | Кольцо уплотнительное | Нет в продаже |
|
| 4 | 537-2402416 | Пружина нагнетательная | Нет в продаже |
|
| 5 | 0000-1709201 | Шарик 12.700-100 | Нет в продаже |
|
| 6 | 543-2312402 | Корпус насоса | Нет в продаже |
|
| 7 | 0000-2402726 | Кольцо 016-020-25-2-2 | Нет в продаже |
|
| 8 | 0000-1713846 | Кольцо У-60х55-2 | Нет в продаже |
|
| 9 | 537-2402482 | Ось | Нет в продаже |
|
| 10 | 375446 | Шайба 7 | Нет в продаже |
|
| 11 | 0000-2322209 | Подшипник 6-27 (4611111516) | Нет в продаже |
|
| 12 | 537-2402440-Б | Плунжер | Нет в продаже |
|
| 13 | 537-2402486 | Тарелка | Нет в продаже |
|
| 14 | 537-2402442-Б | Пружина | Нет в продаже |
|
| 15 | 537-2402484-А | Фиксатор | Нет в продаже |
|
| 16 | 535А-1512125 | Пружина клапана | Нет в продаже |
|
| 17 | 0000-2402201 | Шарик 9.525-100 | Нет в продаже |
|
| 18 | 537-2402492 | Седло | Нет в продаже |
|
| 19 | 537-2402470 | Сетка | Нет в продаже |
|
| 21 | 537-2402418 | Пружина всасывающая | Нет в продаже |
|
1
1
3
3
4
5
5
6
7
8
9
10
10
11
12
13
14
15
16
17
18
19
21
Содержащиеся в справочниках-каталогах запасные части и детали носят исключительно информационный характер