Назад

Оригинальные каталоги

zoom-in zoom-out enlarge shrink circle-right circle-left file-text2 info cart
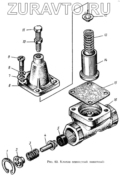
Номер Наименование Цена
1 307758-П2 Кольцо упорное Нет в продаже
2 100-3515026 Втулка пружины Нет в продаже
3 100-3515025 Пружина Нет в продаже
4 100-3515022 Корпус клапана Нет в продаже
5 100-3515023 Кольцо клапана Нет в продаже
6 100-3515040 Крышка клапана Нет в продаже
7 100-3515049 Пластина Нет в продаже
8 305887-П2 Шайба пружинная Нет в продаже
9 302209-П29 Винт Нет в продаже
10 250510-П29 Гайка Нет в продаже
11 302204-П29 Винт крышки Нет в продаже
12 100-3515034 Тарелка пружины Нет в продаже
13 100-3515032 Пружина Нет в продаже
14 100-3515030 Поршень Нет в продаже
15 100-3515028-10 Мембрана Нет в продаже
16 100-3515020 Корпус одинарного клапана Нет в продаже
1
2
3
4
5
6
7
8
9
10
11
12
13
14
15
16
100%
Содержащиеся в справочниках-каталогах запасные части и детали носят исключительно информационный характер