Оригинальные каталоги
| № | Номер | Наименование | Цена | |
|---|---|---|---|---|
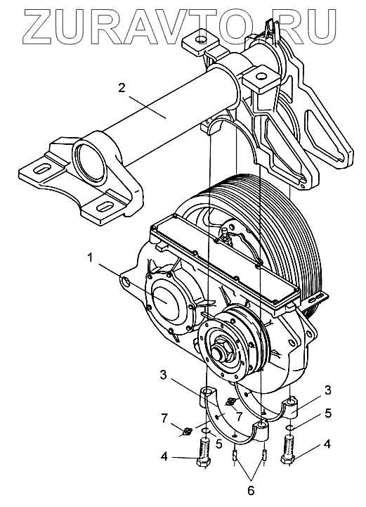
| УЭС0120000 | УЭС0120000 | Установка редуктора | Нет в продаже |
|
| 1 | УЭС0108000А | Редуктор цилиндрический | Нет в продаже |
|
| 2 | УЭС0119000 | Опора редуктора | Нет в продаже |
|
| 3 | УЭС0119307 | Крышка | Нет в продаже |
|
| 4 | БолтМ18х1,5-6ех70-7798 | Болт М18х1,5-6ех70-7798 | Нет в продаже |
|
| 5 | Шайба18.65Г-6402 | Шайба 18.65Г-6402 | Нет в продаже |
|
| 6 | Штифт6х12-3128 | Штифт 6х12-3128 | Нет в продаже |
|
| 7 | 1.2-19853 | Масленка | Нет в продаже |
|
1
2
3
3
4
4
5
5
6
7
7
Содержащиеся в справочниках-каталогах запасные части и детали носят исключительно информационный характер