Оригинальные каталоги
| № | Номер | Наименование | Цена | |
|---|---|---|---|---|
| 2103-3700045 | 2103-3700045 | Электрооборудование трансмиссии | Нет в продаже |
|
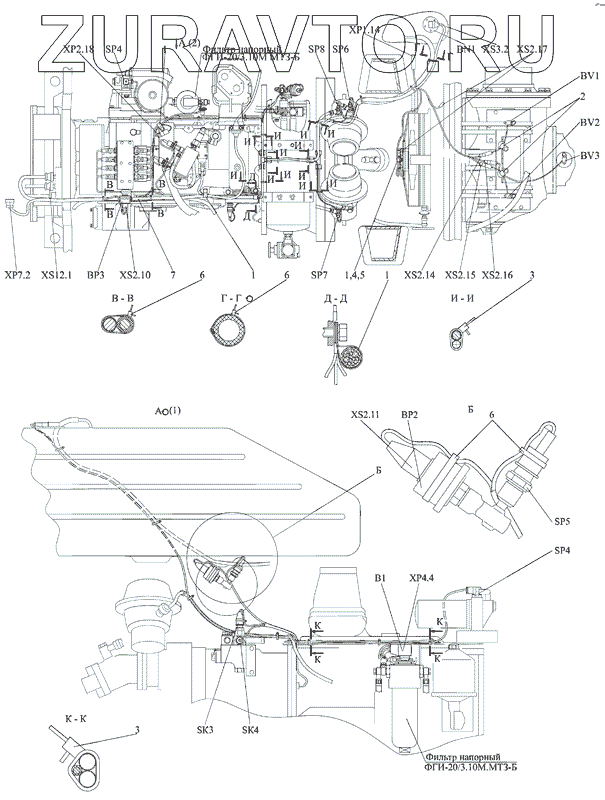
| ФГИ-20/3.10ММТЗ-Б | ФГИ-20/3.10ММТЗ-Б | Фильтр напорный | Нет в продаже |
|
| 1 | 70-1115012-01 | Хомутик | Нет в продаже |
|
| 2 | 822-3723001 | Скоба | Нет в продаже |
|
| 3 | 80-3723045 | Манжета | Нет в продаже |
|
| 4 | М6-6Н.6.019 | Гайка | Нет в продаже |
|
| 5 | 4598166045 | Шайба 6Т | Нет в продаже |
|
| 6 | 80-3723045-01 | Манжета | Нет в продаже |
|
| 7 | 2103-3724300 | Жгут | Нет в продаже |
|
2103-3700045
ФГИ-20/3.10ММТЗ-Б
ФГИ-20/3.10ММТЗ-Б
1
1
1
1
2
3
3
4
5
6
6
6
7
Содержащиеся в справочниках-каталогах запасные части и детали носят исключительно информационный характер