Оригинальные каталоги
| № | Номер | Наименование | Цена | |
|---|---|---|---|---|
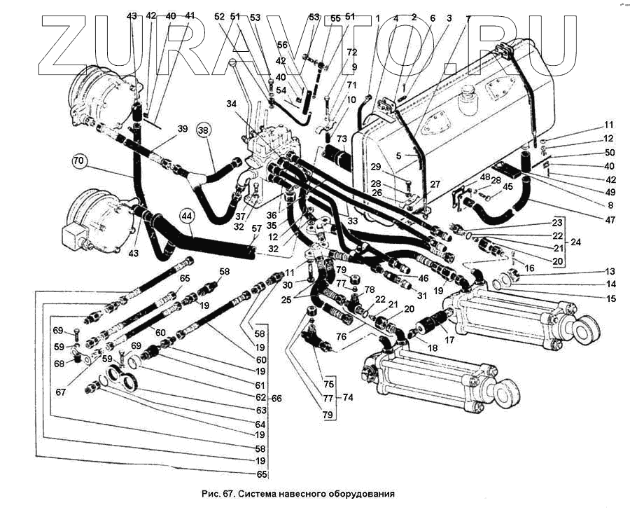
| 701.46.00.000-1 | 701.46.00.000-1 | Система подъемно-навесная | Нет в продаже |
|
| 700А.46.00.000-4 | 700А.46.00.000-4 | Система подъемно-навесная | Нет в продаже |
|
| 700А.46.00.120 | 700А.46.00.120 | Труба | Нет в продаже |
|
| 700А.46.16.350 | 700А.46.16.350 | Труба | Нет в продаже |
|
| 1 | 700А.46.00.070 | Лента | Нет в продаже |
|
| 2 | 700А.46.00.027 | Опора | Нет в продаже |
|
| 4 | 700А.46.00.036 | Прокладка | Нет в продаже |
|
| 5 | 700А.46.00.018 | Прокладка | Нет в продаже |
|
| 7 | 700А.46.00.070-01 | Лента | Нет в продаже |
|
| 8 | 700А.46.00.035 | Подушка | Нет в продаже |
|
| 19 | 700.46.16.650-1 | Переходник в сборе | Нет в продаже |
|
| 20 | 700А.40.00.240 | Корпус клапана в сборе | Нет в продаже |
|
| 21 | 700А.46.00.076 | Клапан замедлительный | Нет в продаже |
|
| 23 | 700А.46.00.075 | Штуцер | Нет в продаже |
|
| 24 | 700А.46.00.230 | Клапан замедлительный | Нет в продаже |
|
| 25 | 700.46.16.660-02 | Рукав в сборе | Нет в продаже |
|
| 26 | 700.46.00.067-1 | Скоба | Нет в продаже |
|
| 33 | 700А.46.00.080-01 | Труба | Нет в продаже |
|
| 34 | 700А.46.16.330 | Труба в сборе | Нет в продаже |
|
| 35 | 700А.46.16.320 | Труба в сборе | Нет в продаже |
|
| 36 | 700А.46.00.080 | Труба | Нет в продаже |
|
| 38 | 701.46.16.030 | Труба | Нет в продаже |
|
| 44 | 701.46.00.010 | Труба | Нет в продаже |
|
| 46 | 700.46.16.080-1 | Запорное устройство 016 мм | Нет в продаже |
|
| 47 | 700А.46.00.110 | Труба | Нет в продаже |
|
| 52 | 700А.46.00.090 | Труба | Нет в продаже |
|
| 55 | 700А.46.00.100 | Труба | Нет в продаже |
|
| 58 | 700.46.16.740 | Клапан запорного устройства для шлангов д. 16 мм | Нет в продаже |
|
| 60 | 700.46.16.660-06 | Переходник в сборе | Нет в продаже |
|
| 61 | 700.46.16.160-1 | Муфта разрывная | Нет в продаже |
|
| 62 | 700.46.16.087 | Шарнир | Нет в продаже |
|
| 63 | 700.46.16.086-1 | Обойма шарниров | Нет в продаже |
|
| 64 | 700.46.16.088 | Кольцо стопорное | Нет в продаже |
|
| 65 | 700.46.16.660-07 | Рукав в сборе D 20Х2200 | Нет в продаже |
|
| 66 | 700.46.16.170-7 | Муфты разрывные в сборе | Нет в продаже |
|
| 68 | 700.46.16.700 | Стойка | Нет в продаже |
|
| 70 | 700А.46.00.130 | Труба | Нет в продаже |
|
| 71 | 700А.46.00.037 | Скоба | Нет в продаже |
|
| 74 | 700А.46.00.200 | Тройник в сборе | Нет в продаже |
|
| 75 | 700А.46.00.210 | Переходник | Нет в продаже |
|
| 76 | 700А.46.00.220 | Клапан замедлительный | Нет в продаже |
|
| 77 | 700А.46.00.071 | Заглушка | Нет в продаже |
|
| 78 | 700А.46.00.072 | Тройник | Нет в продаже |
|
| 79 | 700.46.16.075-1 | Гайка накидная | Нет в продаже |
|
1
2
4
5
7
8
19
19
19
19
19
19
20
20
21
21
23
24
25
26
33
34
35
36
38
44
46
47
52
55
58
58
58
60
60
61
62
63
64
65
65
66
68
70
71
74
75
76
77
77
78
79
79
Содержащиеся в справочниках-каталогах запасные части и детали носят исключительно информационный характер