Назад

Оригинальные каталоги

zoom-in zoom-out enlarge shrink circle-right circle-left file-text2 info cart
Номер Наименование Цена
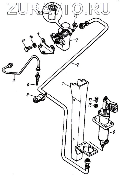
1 T30.81.010 Желоб Нет в продаже
2 T30.81.015 Трубопровод воздушный Нет в продаже
3 T30.81.020 Трубопровод эмульсионный Нет в продаже
4 25A1.81.102 Кронштейн смесителя Нет в продаже
5 14.48.139-01 Скоба Нет в продаже
6 6ПП-40А-01000 Насoc Нет в продаже
7 5ПП-40А-02000 Смеситель в сборе Нет в продаже
8 5ПП-40А-05000 Капсула в сборе Нет в продаже
9 5ПП-40А-06000 Распылитель в сборе Нет в продаже
10 M6.6gx16.88.35.019 Болт Нет в продаже
11 4M8.6gx25.88.35.019 Болт Нет в продаже
12 М8.6H.6.019 Гайка Нет в продаже
13 6Т.65Г.06 Шайба Нет в продаже
14 8Т.65Г.06 Шайба Нет в продаже
1
2
3
4
5
6
7
8
9
10
11
12
13
14
100%
Содержащиеся в справочниках-каталогах запасные части и детали носят исключительно информационный характер