Оригинальные каталоги
| № | Номер | Наименование | Цена | |
|---|---|---|---|---|
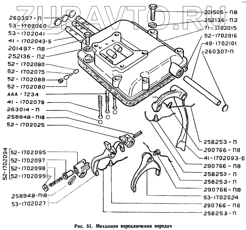
| 201497-П8 | 201497-П8 | Болт М10х25 | Нет в продаже |
|
| 52-1702080 | 52-1702080 | Плунжер стопорный штоков переключения передач | Нет в продаже |
|
| 52-1702097 | 52-1702097 | Предохранитель включений первой и второй передач и заднего хода | Нет в продаже |
|
| 52-1702016 | 52-1702016 | Прокладка верхней крышки коробки передач | Нет в продаже |
|
| 52-1702098 | 52-1702098 | Пружина предохранителя включения заднего хода коробки передач | Нет в продаже |
|
| ААА-7234 | ААА-7234 | Пружина стопорного шарика механизма переключения передач | Нет в продаже |
|
| 52-1702099 | 52-1702099 | Стопор пружины | Нет в продаже |
|
| 252136-П2 | 252136-П2 | Шайба 10 ОТ ОСТ 37.001.115-75 | Нет в продаже |
|
| 263014-П | 263014-П | Шарик диаметром 9,5 мм фиксатора механизма переключения передач | Нет в продаже |
|
| 258253-П | 258253-П | Шплинт 1,2х175 ОСТ 37.001.172-92 | Нет в продаже |
|
| 258253-П | 258253-П | Шплинт 1,2х175 ОСТ 37.001.172-92 | Нет в продаже |
|
| 258948-П18 | 258948-П18 | Штифт 5х25 | Нет в продаже |
|
| 41-1702043-Б | 41-1702043-Б | Шток переключения заднего хода коробки передач | Нет в продаже |
|
| 53-1702060 | 53-1702060 | Шток переключения первой и второй передач | Нет в продаже |
|
| 52-1702075 | 52-1702075 | Палец штока переключения третьей и четвертой передач стопорный | Нет в продаже |
|
| 41-1702078 | 41-1702078 | Палец блокирующий валика переключения коробки передач | Нет в продаже |
|
| 201505-П8 | 201505-П8 | Болт М10-6gх45 | Нет в продаже |
|
| 41-1702093-Б | 41-1702093-Б | Вилка включения заднего хода коробки передач | Нет в продаже |
|
| 53-1702024 | 53-1702024 | Вилка переключения первой и второй передач коробки передач | Нет в продаже |
|
| 53-1702027 | 53-1702027 | Вилка переключения третьей и четвертой передач коробки передач | Нет в продаже |
|
| 290766-П8 | 290766-П8 | Винт стопорный вилки включения заднего хода | Нет в продаже |
|
| 290766-П8 | 290766-П8 | Винт стопорный вилки включения заднего хода | Нет в продаже |
|
| 52-1702095 | 52-1702095 | Головка штока заднего хода коробки передач | Нет в продаже |
|
| 52-1702094 | 52-1702094 | Головка включения заднего хода коробки передач в сборе | Нет в продаже |
|
| 52-1702025 | 52-1702025 | Головка штока переключения первой и второй передач коробки передач | Нет в продаже |
|
| 260307-П | 260307-П | Заглушка 20 | Нет в продаже |
|
| 52-1702089 | 52-1702089 | Заглушка отверстия плунжеров штока переключения передач | Нет в продаже |
|
| 71-1702015 | 71-1702015 | Крышка верхняя коробки передач | Нет в продаже |
|
| 49-1702101 | 49-1702101 | Ось вилки заднего хода коробки передач | Нет в продаже |
|
| 53-1702041 | 53-1702041 | Шток переключения третьей и четвертой передач | Нет в продаже |
|
201497-П8
52-1702080
52-1702080
52-1702097
52-1702016
52-1702098
ААА-7234
52-1702099
252136-П2
252136-П2
263014-П
258253-П
258253-П
258253-П
258253-П
258948-П18
258948-П18
41-1702043-Б
53-1702060
52-1702075
41-1702078
201505-П8
41-1702093-Б
53-1702024
53-1702027
290766-П8
290766-П8
290766-П8
290766-П8
52-1702095
52-1702094
52-1702025
260307-П
260307-П
52-1702089
71-1702015
49-1702101
53-1702041
Содержащиеся в справочниках-каталогах запасные части и детали носят исключительно информационный характер