Назад

Оригинальные каталоги

zoom-in zoom-out enlarge shrink circle-right circle-left file-text2 info cart
Номер Наименование Цена
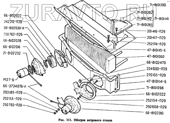
201417-П29 201417-П29 Болт М6-6gх14 ОСТ 37.001.123-96 Нет в продаже
47-8101114-Б 47-8101114-Б Прокладка кожуха Нет в продаже
47-8101115-Б 47-8101115-Б Прокладка кожуха радиатора верхняя Нет в продаже
47-8101060 47-8101060 Радиатор в сборе Нет в продаже
30-8102030-А 30-8102030-А Ротор вентилятора в сборе Нет в продаже
66-8102470 66-8102470 Скоба крепления вентилятора Нет в продаже
71-8101282 71-8101282 Уплотнитель кожуха шланга верхний Нет в продаже
71-8101283 71-8101283 Уплотнитель кожуха шланга нижний Нет в продаже
293185-П29 293185-П29 Шайба 5 Нет в продаже
66-8102028 66-8102028 Шайба опорная корпуса вентилятора Нет в продаже
252174-П29 252174-П29 Шайба 2-6 ОСТ 37.001.145-75 Нет в продаже
252174-П29 252174-П29 Шайба 2-6 ОСТ 37.001.145-75 Нет в продаже
252153-П29 252153-П29 Шайба 5 Нет в продаже
252154-П29 252154-П29 Шайба 6Л ОСТ 37.001.115-75 Нет в продаже
21-8102232 21-8102232 Прокладка электродвигателя вентилятора Нет в продаже
66-3724076-А 66-3724076-А Провод соединения корпуса электродвигателя с кабиной в сборе Нет в продаже
66-8102022 66-8102022 Крышка корпуса вентилятора Нет в продаже
201416-П29 201416-П29 Болт М6-6gх12 ОСТ 37.001.123-96 Нет в продаже
66-8102010 66-8102010 Вентилятор обдува ветрового стекла в сборе Нет в продаже
220103-П29 220103-П29 Винт М6-6gх12 ОСТ 37.001.127-81 Нет в продаже
224600-П29 224600-П29 Винт М5-6gх16 Нет в продаже
242210-П29 242210-П29 Винт Нет в продаже
250762-П29 250762-П29 Гайка М4 Нет в продаже
250608-П29 250608-П29 Гайка М6-6Н ОСТ 37.001.124-93 Нет в продаже
250763-П29 250763-П29 Гайка М5 Нет в продаже
71-8101098 71-8101098 Кожух радиатора отопителя в сборе Нет в продаже
71-8101142 71-8101142 Кожух шланга Нет в продаже
71-8101141 71-8101141 Кожух шланга в сборе Нет в продаже
66-8102016 66-8102016 Корпус вентилятора Нет в продаже
71-8101200 71-8101200 Корпус отопителя в сборе Нет в продаже
МЭ7-Б МЭ7-Б Электромотор в сборе (66-8102080-Б) Нет в продаже
201417-П29
47-8101114-Б
47-8101115-Б
47-8101060
30-8102030-А
66-8102470
71-8101282
71-8101283
293185-П29
66-8102028
252174-П29
252174-П29
252153-П29
252154-П29
21-8102232
66-3724076-А
66-8102022
66-8102022
201416-П29
66-8102010
220103-П29
224600-П29
242210-П29
250762-П29
250608-П29
250763-П29
71-8101098
71-8101142
71-8101141
66-8102016
71-8101200
МЭ7-Б
100%
Содержащиеся в справочниках-каталогах запасные части и детали носят исключительно информационный характер