Назад

Оригинальные каталоги

zoom-in zoom-out enlarge shrink circle-right circle-left file-text2 info cart
Номер Наименование Цена
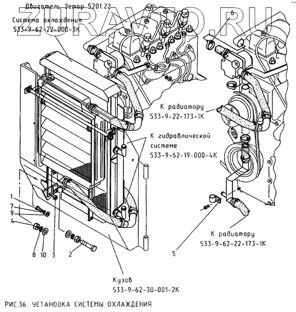
533-9-62-22-000-3К 533-9-62-22-000-3К Система охлаждения Нет в продаже
1 Болт М8-6gХ30.46.019 ГОСТ 7796-70 Болт М8-6gХ30.46.019 ГОСТ 7796-70 Нет в продаже
2 533-0-62-22-148-1К Болт Нет в продаже
3 Гайка М8-6Н.6.019 ГОСТ 5915-70 Гайка М8-6Н.6.019 ГОСТ 5915-70 Нет в продаже
4 Гайка М12-6Н.6.019 ГОСТ 5915-70 Гайка М12-6Н.6.019 ГОСТ 5915-70 Нет в продаже
5 672-54-9-29 Хомут Нет в продаже
6 672-54-сб2-10 Хомут универсальный Нет в продаже
7 Шайба 8Т 65Г 06 ГОСТ 6402-70 Шайба 8Т 65Г 06 ГОСТ 6402-70 Нет в продаже
8 Шайба 12 ОТ 65Г 06 ГОСТ 6402-70 Шайба 12 ОТ 65Г 06 ГОСТ 6402-70 Нет в продаже
9 Шайба 8.01.0118 ГОСТ 11371-78 Шайба 8.01.0118 ГОСТ 11371-78 Нет в продаже
9 Шайба 8.02.0118 ГОСТ 11371-78 Шайба 8.02.0118 ГОСТ 11371-78 Нет в продаже
10 Шайба 12.01.0118 ГОСТ 11371-78 Шайба 12.01.0118 ГОСТ 11371-78 Нет в продаже
10 Шайба 12.02.0118 ГОСТ 11371-78 Шайба 12.02.0118 ГОСТ 11371-78 Нет в продаже
1
2
3
4
5
6
7
8
9
9
10
10
100%
Содержащиеся в справочниках-каталогах запасные части и детали носят исключительно информационный характер