Оригинальные каталоги
| № | Номер | Наименование | Цена | |
|---|---|---|---|---|
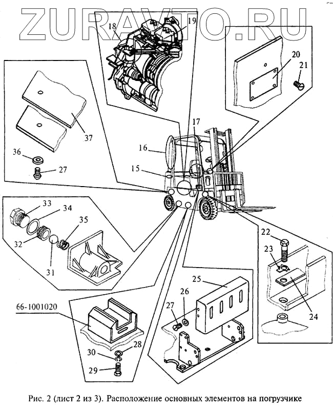
| 15 | 1604.00.00.015 | Коврик | Нет в продаже |
|
| 16 | 1604.12.00.000 | Система выпуска | Нет в продаже |
|
| 17 | 1601.04.00.000-02 | Гидропривод | Нет в продаже |
|
| 18 | 1604.10.00.000 | Система питания | Нет в продаже |
|
| 19 | 1604.01.00.000 | Силовой агрегат | Нет в продаже |
|
| 20 | 1604.00.00.005 | Табличка | Нет в продаже |
|
| 21 | Винт 3-6-Кд {ОСТ 1.31528-80} | Винт 3-6-Кд {ОСТ 1.31528-80} | Нет в продаже |
|
| 22 | Болт М16-6ех55.56.029 {ГОСТ 7796-70} | Болт М16-6ех55.56.029 {ГОСТ 7796-70} | Нет в продаже |
|
| 23 | Шайба 16-Ц {ОСТ 1.34526-80} | Шайба 16-Ц {ОСТ 1.34526-80} | Нет в продаже |
|
| 24 | 1602.00.00.008 | Планка | Нет в продаже |
|
| 25 | 1602.04.00.005-02 | Кожух | Нет в продаже |
|
| 26 | Шайба 1-6-10-Кд {ОСТ 1.34505-80} | Шайба 1-6-10-Кд {ОСТ 1.34505-80} | Нет в продаже |
|
| 27 | Винт 6-12-Кд {ОСТ 1.31528-80} | Винт 6-12-Кд {ОСТ 1.31528-80} | Нет в продаже |
|
| 28 | 1602.01.00.006 | Шайба | Нет в продаже |
|
| 29 | Шайба 12 65Г 029 {ГОСТ 6402-70} | Шайба 12 65Г 029 {ГОСТ 6402-70} | Нет в продаже |
|
| 30 | Болт 3М12-8gх25.56.06 {ГОСТ 7796-70} | Болт 3М12-8gх25.56.06 {ГОСТ 7796-70} | Нет в продаже |
|
| 31 | Шарик 24,606-100 {ГОСТ 3722-81} | Шарик 24,606-100 {ГОСТ 3722-81} | Нет в продаже |
|
| 32 | 1600.06.05.012 | Упор | Нет в продаже |
|
| 33 | 1600.06.05.013 | Пробка | Нет в продаже |
|
| 34 | 1600.06.05.014 | Прокладка | Нет в продаже |
|
| 35 | Пружина 108-4-1-1-25 {ОСТ 1.3553-79} | Пружина 108-4-1-1-25 {ОСТ 1.3553-79} | Нет в продаже |
|
| 36 | Шайба 2,5-6-14-Ц {ОСТ 1.34505-80} | Шайба 2,5-6-14-Ц {ОСТ 1.34505-80} | Нет в продаже |
|
| 37 | 1604.00.00.017 | Щиток | Нет в продаже |
|
15
16
17
18
19
20
21
22
23
24
25
26
27
27
28
29
30
31
32
33
34
35
36
37
Содержащиеся в справочниках-каталогах запасные части и детали носят исключительно информационный характер