Назад

Оригинальные каталоги

zoom-in zoom-out enlarge shrink circle-right circle-left file-text2 info cart
Номер Наименование Цена
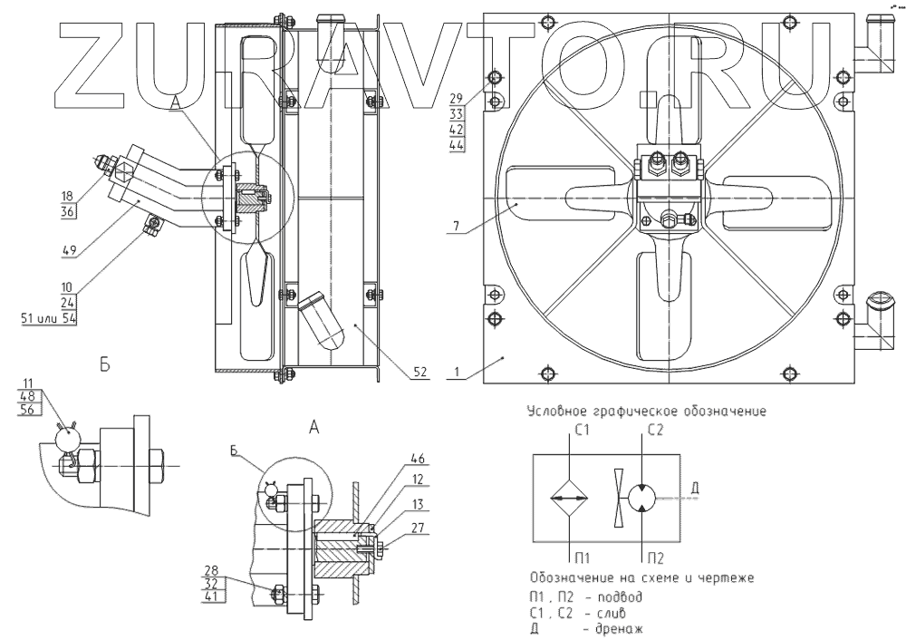
1 314-20-80.06.010 Диффузор Нет в продаже
7 ЭО-3322А.02.04.200 Крыльчатка Нет в продаже
10 003-50-80.04.010-10 Втулка Нет в продаже
11 314-20-80.06.102 Болт Нет в продаже
12 313-00-80.06.002 Шайба Нет в продаже
13 313-00-80.06.003 Шайба Нет в продаже
18 ЭО-3323.07.13.005 Штуцер Нет в продаже
24 003-50-80.04.001 Болт Нет в продаже
27 М6-6gх14.58.016 Болт Нет в продаже
28 М8-6gх30.58.016 Болт Нет в продаже
29 М10-6gх25.58.016 Болт Нет в продаже
32 М8-6Н.5.016 Гайка Нет в продаже
33 М10-6Н.5.016 Гайка Нет в продаже
36 018-022-25-2-3 Кольцо Нет в продаже
41 8.65Г.016 Шайба Нет в продаже
42 10.65Г.016 Шайба Нет в продаже
44 С10.01.08кп.019 Шайба Нет в продаже
46 2-6х6х32 Шпонка Нет в продаже
48 10/6.5 Пломба Нет в продаже
49 310.12.01.03 Гидромотор Нет в продаже
51 400-765-5590 Прокладка Нет в продаже
52 КМ313-00-80.06.700-10 Калорифер Нет в продаже
54 14Е223YО/М12/ Уплотнение Guardex Нет в продаже
56 1-О-С Проволока Нет в продаже
1
7
10
11
12
13
18
24
27
28
29
32
33
36
41
42
44
46
48
49
51
52
54
56
100%
Содержащиеся в справочниках-каталогах запасные части и детали носят исключительно информационный характер