Оригинальные каталоги
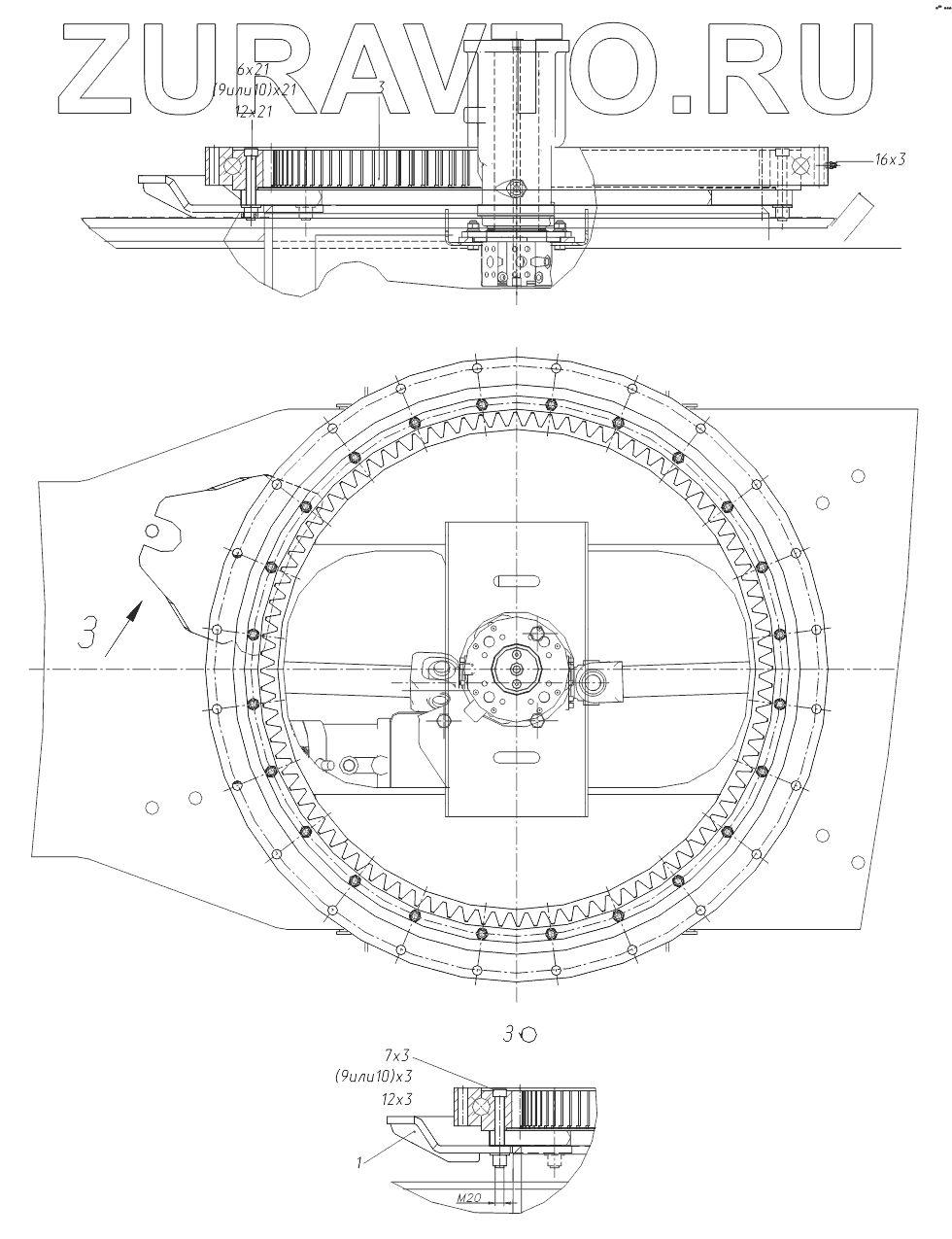
| № | Номер | Наименование | Цена | |
|---|---|---|---|---|
| 1 | 00221010710000 | Кронштейн стопора | Нет в продаже |
|
| 3 | 00010820004001 | Опора поворотная | Нет в продаже |
|
| 6 | М20-8gх140.109.40Х.016 | Болт | Нет в продаже |
|
| 7 | М20-8gх160.109.40Х.016 | Болт | Нет в продаже |
|
| 9 | М20-7Н.10.40Х.016 | Гайка | Нет в продаже |
|
| 10 | 00002641082001 | Гайка стопорная М20 | Нет в продаже |
|
| 12 | 20.65Г.016 | Шайба | Нет в продаже |
|
| 16 | 00002740106301 | Колпачек для прессмасленок | Нет в продаже |
|
1
3
6
7
9
9
10
10
12
12
16
Содержащиеся в справочниках-каталогах запасные части и детали носят исключительно информационный характер