Оригинальные каталоги
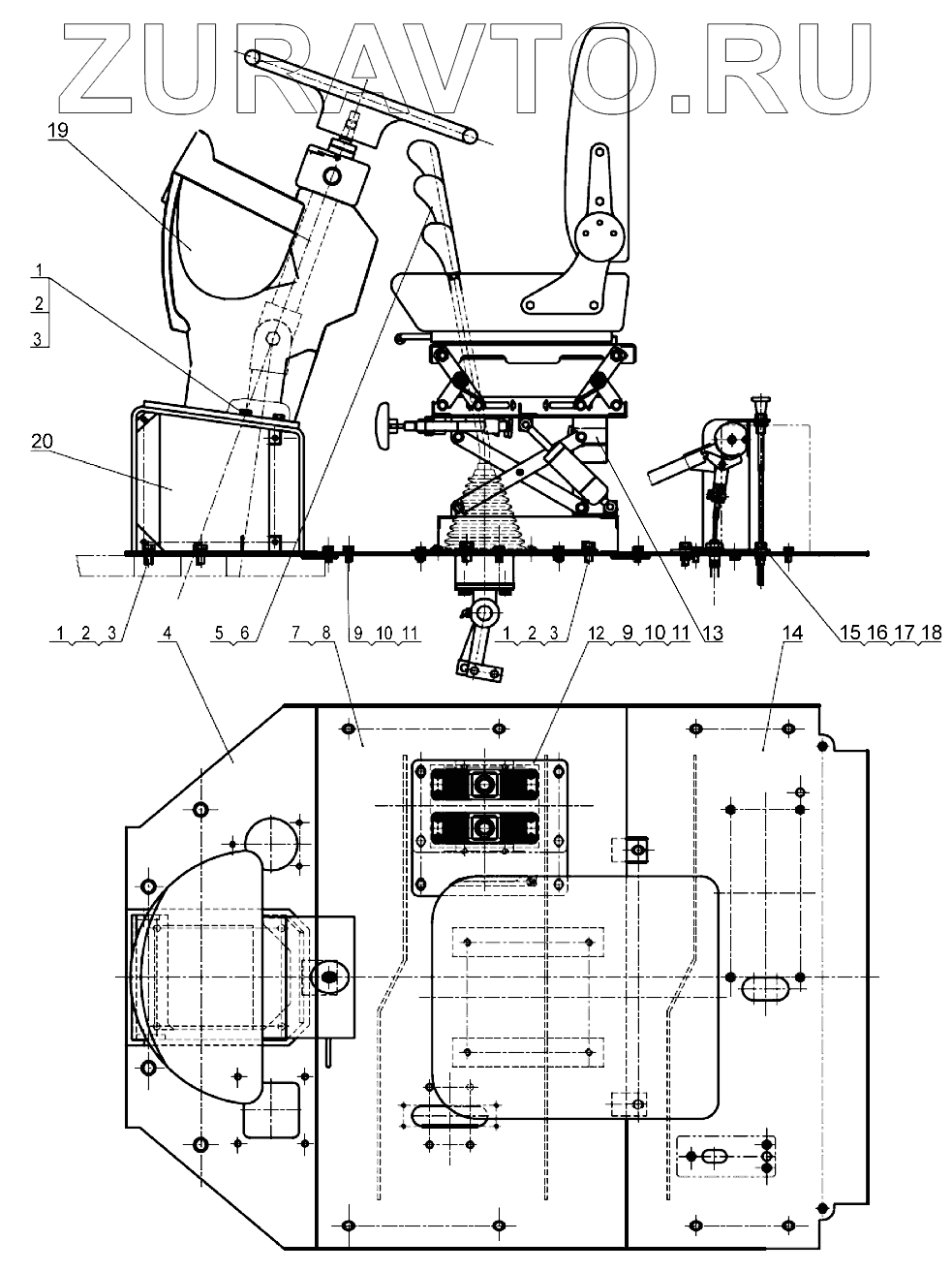
| № | Номер | Наименование | Цена | |
|---|---|---|---|---|
| 1 | 805000715 | Болт M12x25 | Нет в продаже |
|
| 2 | 805300018 | Шайба 12 | Нет в продаже |
|
| 3 | 805300020 | Шайба 12 | Нет в продаже |
|
| 4 | 251700247 | Передняя опора | Нет в продаже |
|
| 5 | 251700413 | Система двухсекционного | Нет в продаже |
|
| 6 | 805100056 | Винт М5х12 | Нет в продаже |
|
| 7 | 251700239 | Промежуточный башмак | Нет в продаже |
|
| 8 | 251702723 | Резиновый пол | Нет в продаже |
|
| 9 | 805000018 | Болт М8х20 | Нет в продаже |
|
| 10 | 805300069 | Шайба 8 | Нет в продаже |
|
| 11 | 805300010 | Шайба 8 | Нет в продаже |
|
| 12 | 251700258 | Плита перекрытия | Нет в продаже |
|
| 13 | 801902761 | Сиденье в сборе | Нет в продаже |
|
| 14 | 251700241 | Задний башмак II | Нет в продаже |
|
| 15 | 805000043 | Болт М10х30 | Нет в продаже |
|
| 16 | 805300014 | Шайба 10 | Нет в продаже |
|
| 17 | 805300017 | Шайба 10 | Нет в продаже |
|
| 18 | 251700457 | Ручной регулятор | Нет в продаже |
|
| 19 | 251703192 | Аппаратный стол в сборе | Нет в продаже |
|
| 20 | 251700262 | Защитный кожух в сборе | Нет в продаже |
|
1
1
1
2
2
2
3
3
3
4
5
6
7
8
9
9
10
10
11
11
12
13
14
15
16
17
18
19
20
Содержащиеся в справочниках-каталогах запасные части и детали носят исключительно информационный характер