Оригинальные каталоги
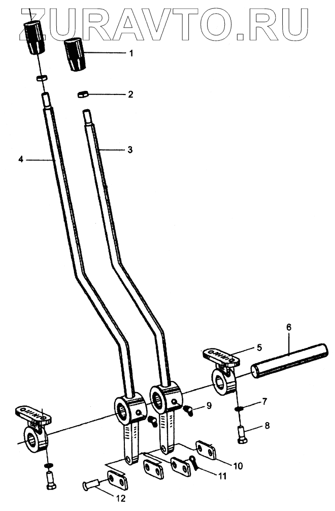
| № | Номер | Наименование | Цена | |
|---|---|---|---|---|
| 1 | ZL40.7.1-16 | Knob M12 | Нет в продаже |
|
| 2 | GB6172-86 | Гайка | Нет в продаже |
|
| 3 | Z3.10.4A.2 | Рычаг управления наклоном | Нет в продаже |
|
| 4 | Z3.10.4A.1 | Движитель подъемного кронштейна | Нет в продаже |
|
| 5 | ZL40.10.7-4A | Fixing Seat | Нет в продаже |
|
| 6 | Z3.10.6-3 | Вал | Нет в продаже |
|
| 7 | GB93-87 | Шайба 12 | Нет в продаже |
|
| 8 | GB5783-86 | Болт | Нет в продаже |
|
| 9 | JB/7940.2-1995 | Чашка для смазки | Нет в продаже |
|
| 10 | Z3.10.4A-1 | Link Board | Нет в продаже |
|
| 11 | GB91-86 | Шплинт | Нет в продаже |
|
| 12 | GB882-96 | Штырь | Нет в продаже |
|
1
2
3
4
5
6
7
8
9
10
11
12
Содержащиеся в справочниках-каталогах запасные части и детали носят исключительно информационный характер